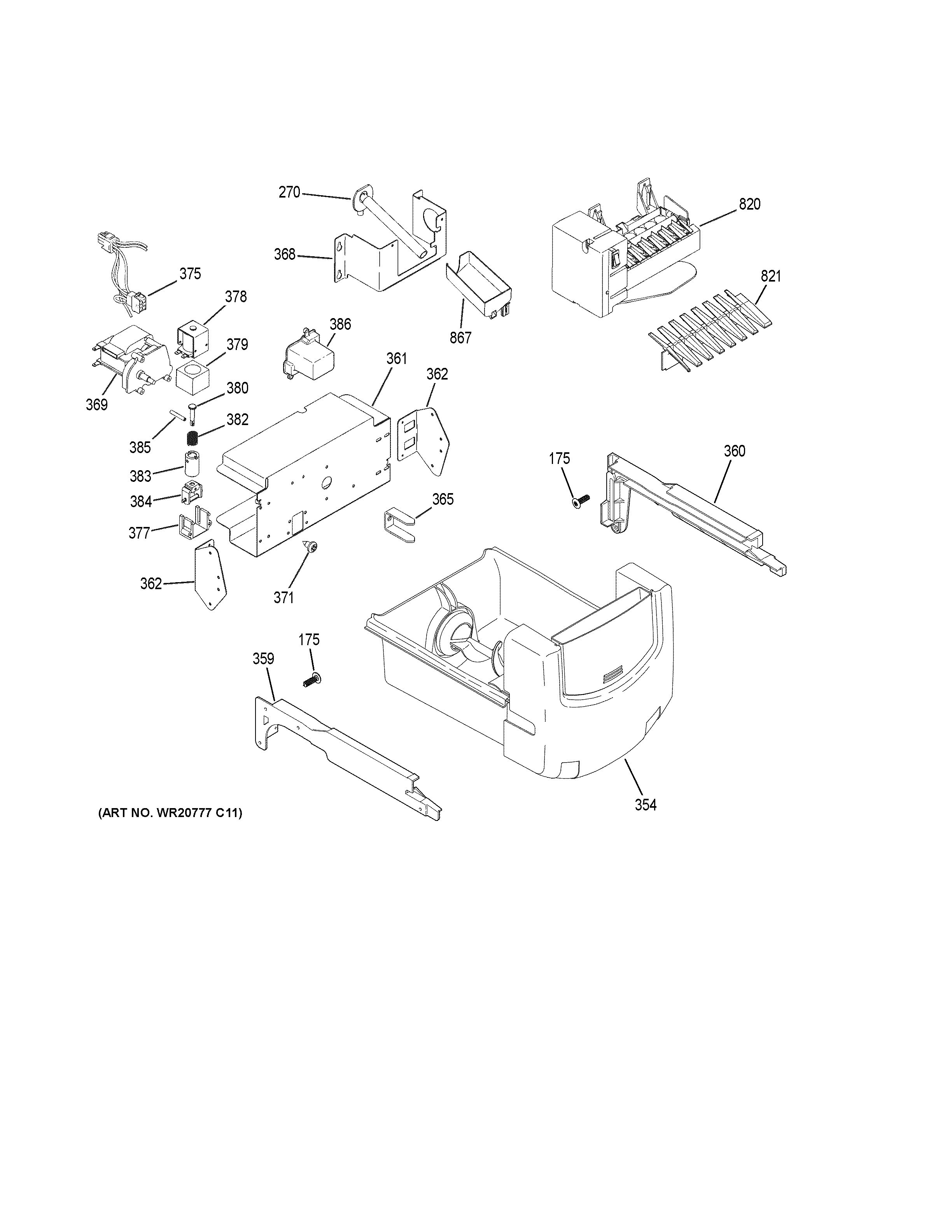
GSS23HMHKCES ICE MAKER & DISPENSER