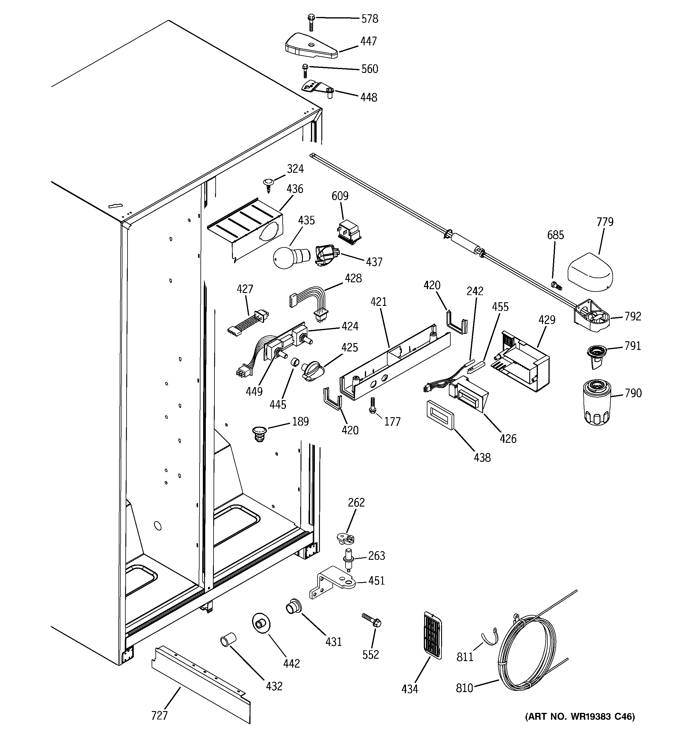
GSS25IFPCWW FRESH FOOD SECTION