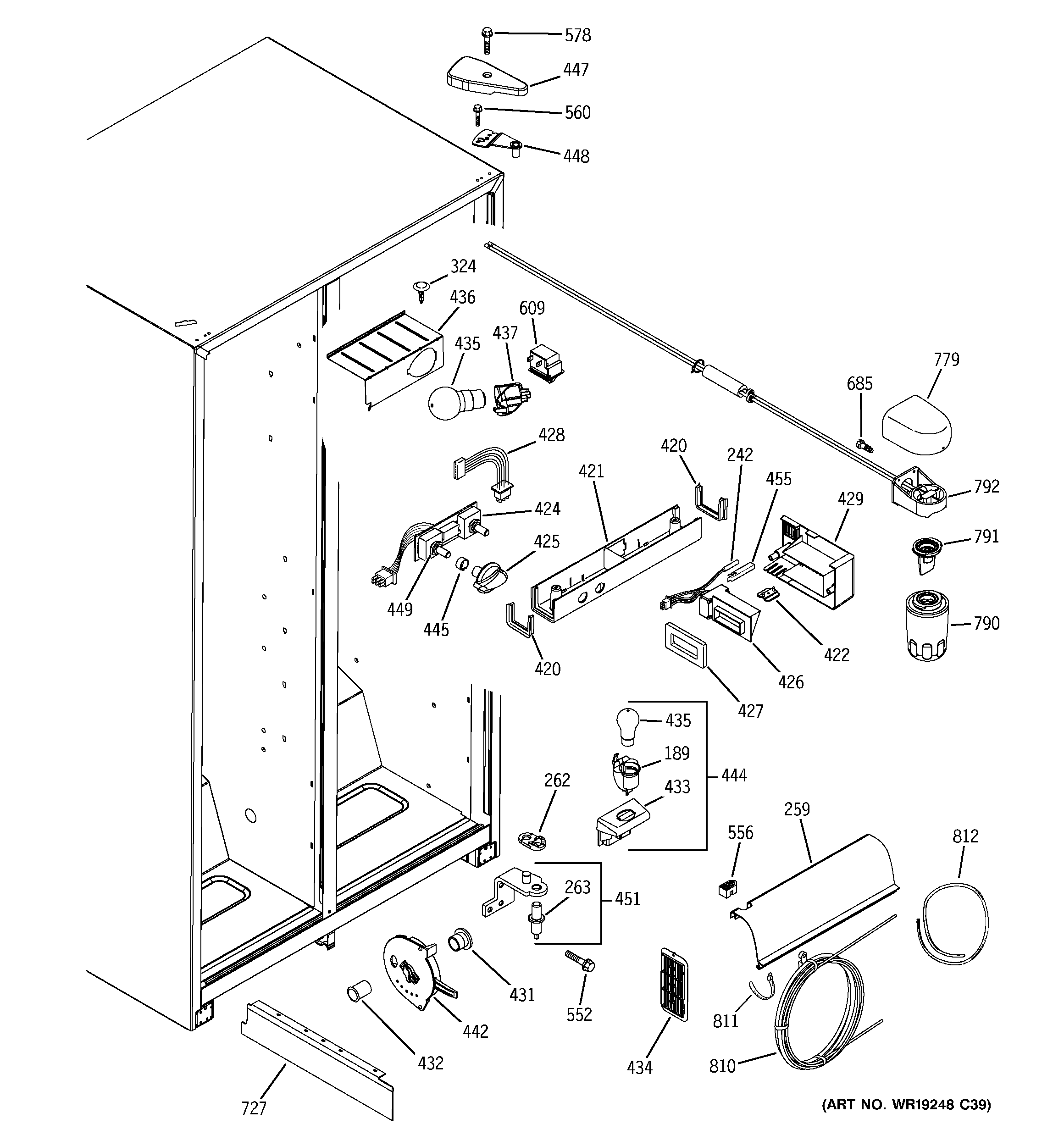
GSS25JFPACC FRESH FOOD SECTIONadmin2025-04-26T08:42:13+00:00GSS25JFPACC FRESH FOOD SECTION ProductsPositionProduct189GEN WR02X11127242WR55X10025 GE Refrigerator Temperature Sensor259WR17X10725 GE Refrigerator Light Shield262GEN WR02X11286263GEN WR02X10592324GEN WR02X7051420GEN WR14X10044421GEN WR17X10716422GEN WR02X10546424WR55X10150 GE Refrigerator Board Assembly Encoder425GEN WR02X10570426WR09X10050 DAMPER & GAS427WR14X10047 GE Refrigerator Gasket Damper428GEN WR23X10245429GEN WR02X11795431WR2X9299 GE Refrigerator Air Duct Cap Mullion432WR02X10561 GE Duct Mullion433GEN WR02X11126434GEN WR17X10262435RANGE ONLY 40W 120V APPL BULB436GEN WR02X10578437WR02X10591 GE Light Socket and Terminal442GEN WR02X10042444GEN WR23X10247445WR02X12149 GE Refrigerator Ring447CVR HNG BQ448GEN WR13X10285449GEN WR01X10191451GEN WR13X10287455GEN WR02X10622552WR01X10600 GE Refrigerator Screw 12-24 Tapping Hex .811 S Z556GEN WH12X0497560GEN WR01X10195578WR01X10379 GE Refrigerator Hinge Cover Screw609WR23X37285 GE Light Switch685WR01X10606 GE Refrigerator Screw 8-18 CA HX 1/2 S727GEN WR17X11409779GEN WR02X10621790MWFP GE Replacement Water Filter Pureline for Refrigerator791WR17X22070 GE Water Filter Bypass Plug792MWF MANIFOLD811WR02X11607 GE Refrigerator Wire Tie812WATER STORAGE COIL