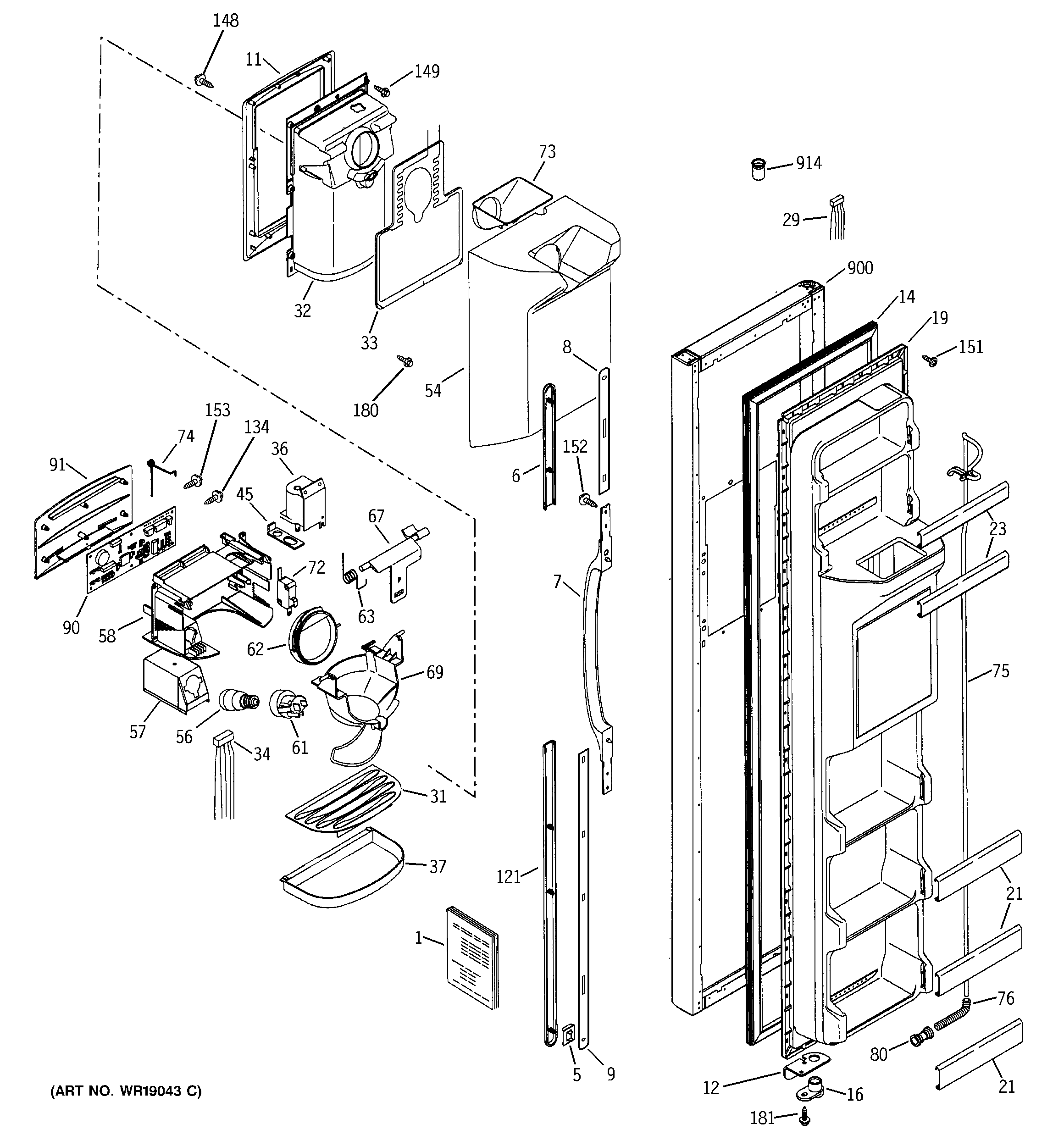
GSS25WGMCBB FREEZER DOOR