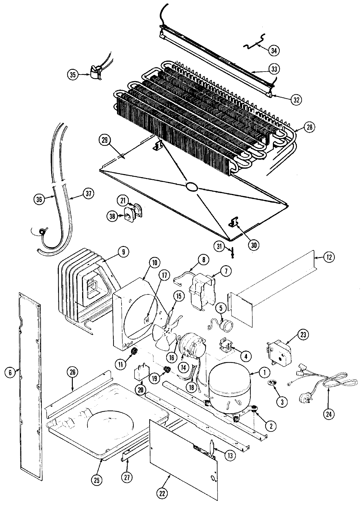
GT15A43LA 06 – UNIT COMPARTMENT & SYSTEMadmin2025-04-26T09:04:01+00:00GT15A43LA 06 – UNIT COMPARTMENT & SYSTEM ProductsPositionProduct1MAY 120000272MAY 17245-43MAY 414011-13MAY 52778-24MAY 68857-45MAY 69105-116MAY 65275-506MAY 60110-57MAY 69754-18MAY 59596-19MAY 60434-39MAY 60408-210MAY 66228-111MAY 53351-112MAY 66493-113MAY 1390014MAY 6100120814MAY 68445-814MAY 408015-115WP12587601 Whirlpool Refrigerator Condenser Blade16MAY 69063-117MAY 19914-018MAY 69181-119MAY 56933-120NOT REQUIRED PART OR SEE NOTE FUSE (NOT REQUIRED)21MAY 6100140421MAY 70075-121MAY 60069-121MAY 60177-422WP488729 Whirlpool Refrigerator Door Screw22MAY 66338-323MAY 405007-123MAY 66128-424MAY 52890-226MAY 60555-127MAY 60555-227WP489478 Whirlpool Refrigerator Screw28MAY 69822-129MAY 69118-130MAY 60108-231MAY 26397-932MAY 60106-4333MAY 60109-434MAY 68935-135WP52085-28 Whirlpool Thermostat36MAY 65013-436MAY 66223-137MAY 65398-138MAY 60068-139MAY 108340-3