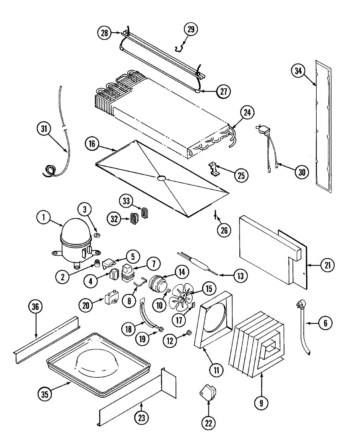
GT15A43V 04 – UNIT COMPARTMENT & SYSTEMadmin2025-04-26T09:02:24+00:00GT15A43V 04 – UNIT COMPARTMENT & SYSTEM ProductsPositionProduct1MAY 120000272MAY 17245-43MAY 414011-13MAY 52778-24MAY 68857-45MAY 69105-116MAY 52890-27MAY 69754-18MAY 59596-19MAY 60434-39MAY 60408-210MAY 69063-111MAY 66228-112MAY 53351-113MAY 1390014MAY 6100120814MAY 68445-814MAY 408015-115WP12587601 Whirlpool Refrigerator Condenser Blade16MAY 69118-117MAY 19914-018MAY 69181-119MAY 56933-120WP2262343 Whirlpool Refrigerator/Freezer Capacitor21WP488729 Whirlpool Refrigerator Door Screw21MAY 66338-322MAY 66128-422MAY 405007-123MAY 66493-124MAY 69822-125MAY 60108-226MAY 26397-927MAY 60106-3728MAY 60109-429MAY 68935-130WP52085-28 Whirlpool Thermostat31MAY 65398-131MAY 66223-131MAY 65013-432MAY 60068-133MAY 60069-134MAY 60110-534MAY 6100140434MAY 65275-5034MAY 70075-134MAY 60177-436WP489478 Whirlpool Refrigerator Screw36MAY 60555-136MAY 60555-237MAY 108340-3