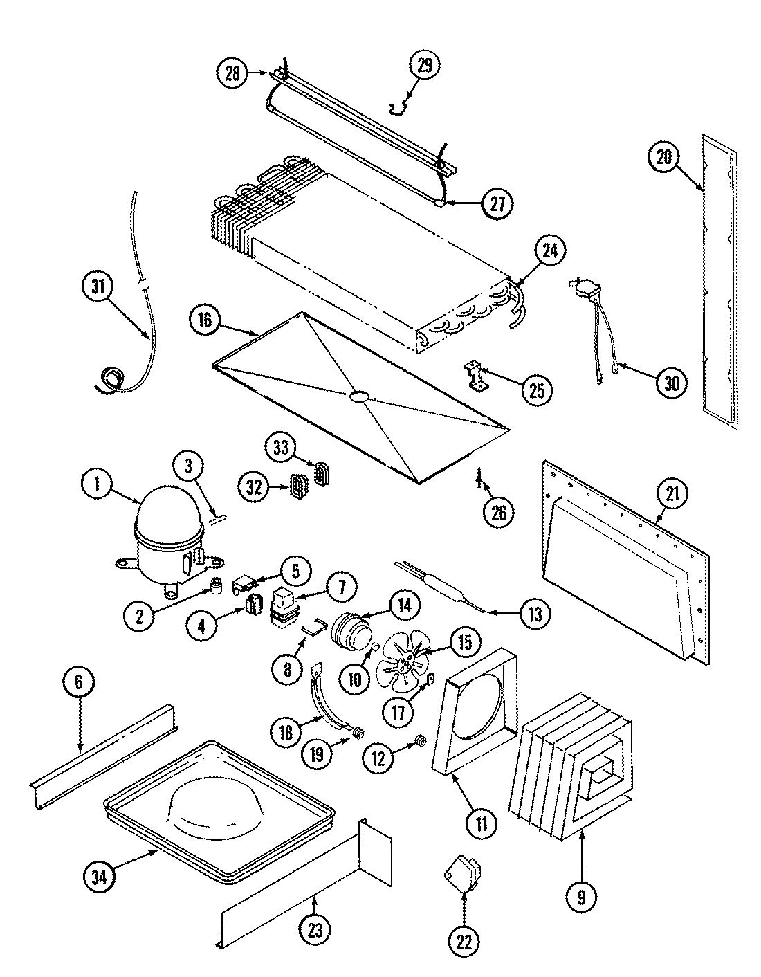
GT15B2F3EV 09 – UNIT COMPARTMENT & SYSTEM