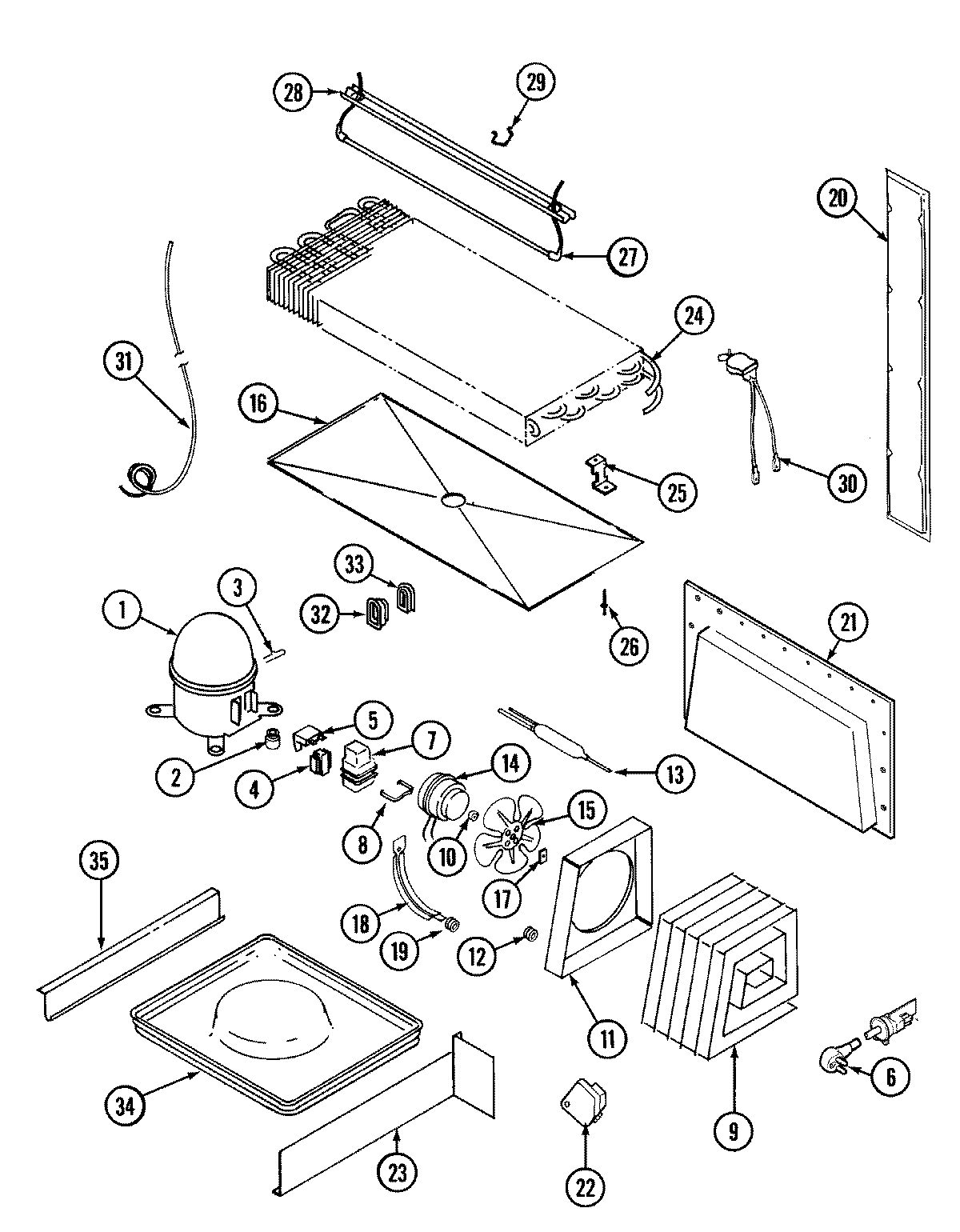
GT15B2N3EA 08 – UNIT COMPARTMENT & SYSTEMadmin2025-04-26T11:22:07+00:00GT15B2N3EA 08 – UNIT COMPARTMENT & SYSTEM ProductsPositionProduct1MAY 52656-21MAY 120011332MAY 17245-43MAY 52778-24MAY 68857-55MAY 610010956MAY 70359-26MAY 70359-36MAY 70359-17MAY 69754-18MAY 59596-19MAY 60434-39MAY 414001-19MAY 60408-210MAY 6100168611MAY 6100120512MAY 53351-113WPW10143759 Whirlpool Dryer Filter14MAY 6100120814MAY 65275-3315WP12587601 Whirlpool Refrigerator Condenser Blade16MAY 6100166617WP486692 Whirlpool Refrigerator Nut18MAY 6100141419MAY 56933-120MAY 60110-520MAY 60177-420MAY 65275-7620MAY 6100174921MAY 6100174821MAY 6100148522MAY 405007-122MAY 6100179123MAY 66493-124MAY 69822-125MAY 60108-226MAY 26397-927MAY 60106-4328MAY 60109-429MAY 68935-130WP52085-28 Whirlpool Thermostat31MAY 6100104231MAY 65013-432MAY 60068-133MAY 60069-135MAY 60555-135MAY 60555-235MAY 400017-3636MAY 61001589