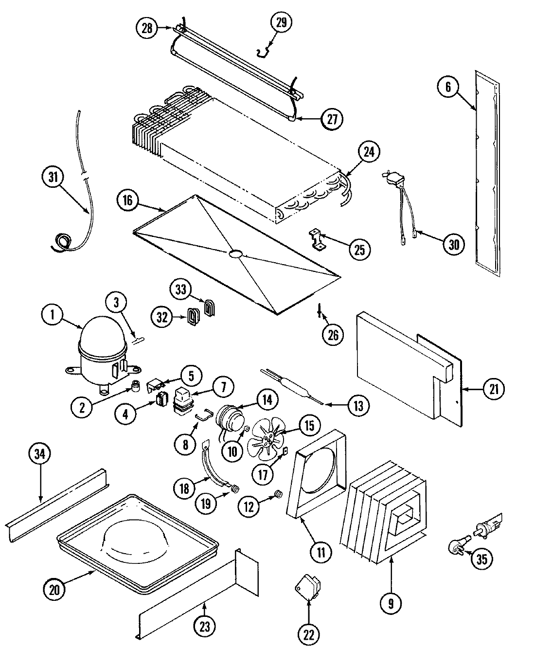
GT15B6N3EA 08 – UNIT COMPARTMENT & SYSTEMadmin2025-04-26T11:21:29+00:00GT15B6N3EA 08 – UNIT COMPARTMENT & SYSTEM ProductsPositionProduct1MAY 120011331MAY 52656-22MAY 17245-43MAY 52778-24MAY 610010795MAY 610010956MAY 610029986MAY 65275-766MAY 60110-56MAY 610014047MAY 69754-18MAY 59596-19MAY 414001-19MAY 60408-29MAY 60434-310MAY 6100168611MAY 6100120512MAY 53351-113WPW10143759 Whirlpool Dryer Filter14MAY 65275-3314MAY 6100120815WP12587601 Whirlpool Refrigerator Condenser Blade16MAY 69118-117WP486692 Whirlpool Refrigerator Nut18MAY 6100141419MAY 56933-121MAY 6100148521MAY 66338-322MAY 405007-122MAY 66128-423MAY 66493-124MAY 69822-125MAY 60108-226MAY 26397-927MAY 60106-4328MAY 60109-429MAY 68935-130WP52085-28 Whirlpool Thermostat31MAY 65013-431MAY 6100104232MAY 60068-133MAY 60069-134MAY 400017-3634MAY 60555-134MAY 60555-235MAY 70359-335MAY 70359-235MAY 70359-136MAY 108340-3