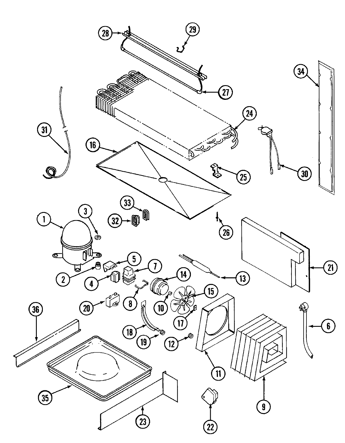
GT15B83V 06 – UNIT COMPARTMENT & SYSTEMadmin2025-04-26T11:23:07+00:00GT15B83V 06 – UNIT COMPARTMENT & SYSTEM ProductsPositionProduct1MAY 120011332MAY 17245-43MAY 414011-13MAY 52778-24MAY 610010795MAY 610010956MAY 52890-27MAY 69754-18MAY 59596-19MAY 60434-39MAY 60408-210MAY 69063-111MAY 66228-112MAY 53351-113MAY 1390014MAY 408015-114MAY 68445-815WP12587601 Whirlpool Refrigerator Condenser Blade16MAY 69118-117MAY 19914-018MAY 69181-119MAY 56933-120NOT REQUIRED PART OR SEE NOTE FUSE (NOT REQUIRED)21MAY 66338-321WP488729 Whirlpool Refrigerator Door Screw22MAY 66128-422MAY 405007-123MAY 66493-124MAY 69822-125MAY 60108-226MAY 26397-927MAY 60106-4328MAY 60109-429MAY 68935-130WP52085-28 Whirlpool Thermostat31MAY 65013-431MAY 66223-131MAY 65398-132MAY 60068-133MAY 60177-433MAY 60069-133MAY 108340-333MAY 70075-334MAY 65275-5034MAY 60110-136MAY 60555-136WP489478 Whirlpool Refrigerator Screw36MAY 60555-2