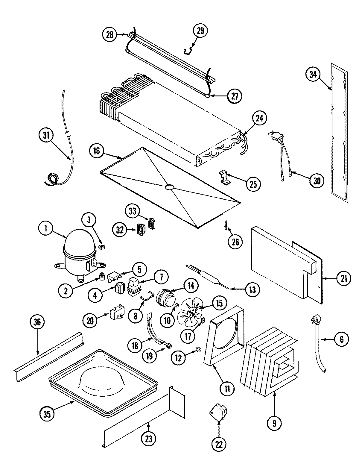
GT15Y6A 08 – UNIT COMPARTMENT & SYSTEMadmin2025-04-26T11:23:41+00:00GT15Y6A 08 – UNIT COMPARTMENT & SYSTEM ProductsPositionProduct1MAY RA10321MAY RA1011-12MAY 17245-43MAY 62165-14WP10097202 Whirlpool Refrigerator Start Device42154436 Whirlpool Refrigerator Start Relay5MAY 69105-1054388953 Whirlpool Overload Relay6MAY 52890-27MAY 69754-17MAY 66589-28MAY 65886-18MAY 59596-19MAY 414001-19MAY 60434-39MAY 60408-210MAY 69063-111MAY 66228-112MAY 53351-113WPW10143759 Whirlpool Dryer Filter14MAY 65275-3314MAY 6100156215WP12587601 Whirlpool Refrigerator Condenser Blade16MAY 69118-117WP486692 Whirlpool Refrigerator Nut18MAY 69181-119MAY 56933-120WP2262343 Whirlpool Refrigerator/Freezer Capacitor20WP65889-4 Whirlpool Refrigerator Capacitor21MAY 66338-321WP488729 Whirlpool Refrigerator Door Screw22MAY 68233-122MAY 405007-123MAY 66493-124MAY 69822-125MAY 60108-226MAY 26397-927WP60106-34 Whirlpool Refrigerator Heater28MAY 60109-429MAY 68935-130WP52085-28 Whirlpool Thermostat31MAY 65398-131MAY 65013-2632MAY 60068-133MAY 60069-134MAY 6100120034MAY 6100156634MAY 65275-5034MAY 60177-436MAY 60555-136WP489478 Whirlpool Refrigerator Screw36MAY 60555-237MAY 108340-3