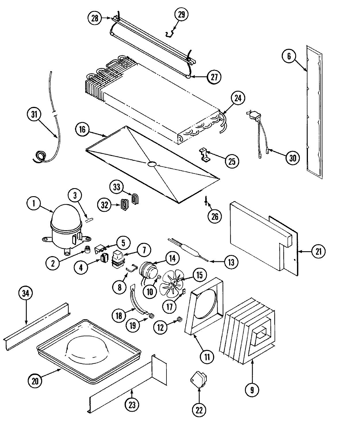
GT17A43V 06 – UNIT COMPARTMENT & SYSTEMadmin2025-04-26T11:24:57+00:00GT17A43V 06 – UNIT COMPARTMENT & SYSTEM ProductsPositionProduct1MAY 52656-21MAY 120000272MAY 17245-43MAY 52778-24MAY 68857-45MAY 69105-116MAY 60177-46MAY 70075-16MAY 65275-506MAY 60110-46MAY 610014047MAY 69754-18MAY 59596-19MAY 60408-29MAY 60434-39MAY 414001-110MAY 6100168611MAY 66228-112MAY 53351-113WPW10143759 Whirlpool Dryer Filter14MAY 68445-814MAY 65275-3314MAY 6100120815WP12587601 Whirlpool Refrigerator Condenser Blade16MAY 69118-117WP486692 Whirlpool Refrigerator Nut18MAY 69181-119MAY 56933-121WP488729 Whirlpool Refrigerator Door Screw21MAY 66338-322MAY 405007-122MAY 66128-423MAY 66493-124MAY 69822-125MAY 60108-226MAY 26397-927MAY 60106-3728MAY 60109-429MAY 68935-130WP52085-28 Whirlpool Thermostat31MAY 65013-431MAY 68186-132MAY 60068-133MAY 60069-134MAY 400017-3634MAY 60555-134MAY 60555-235MAY 108340-3