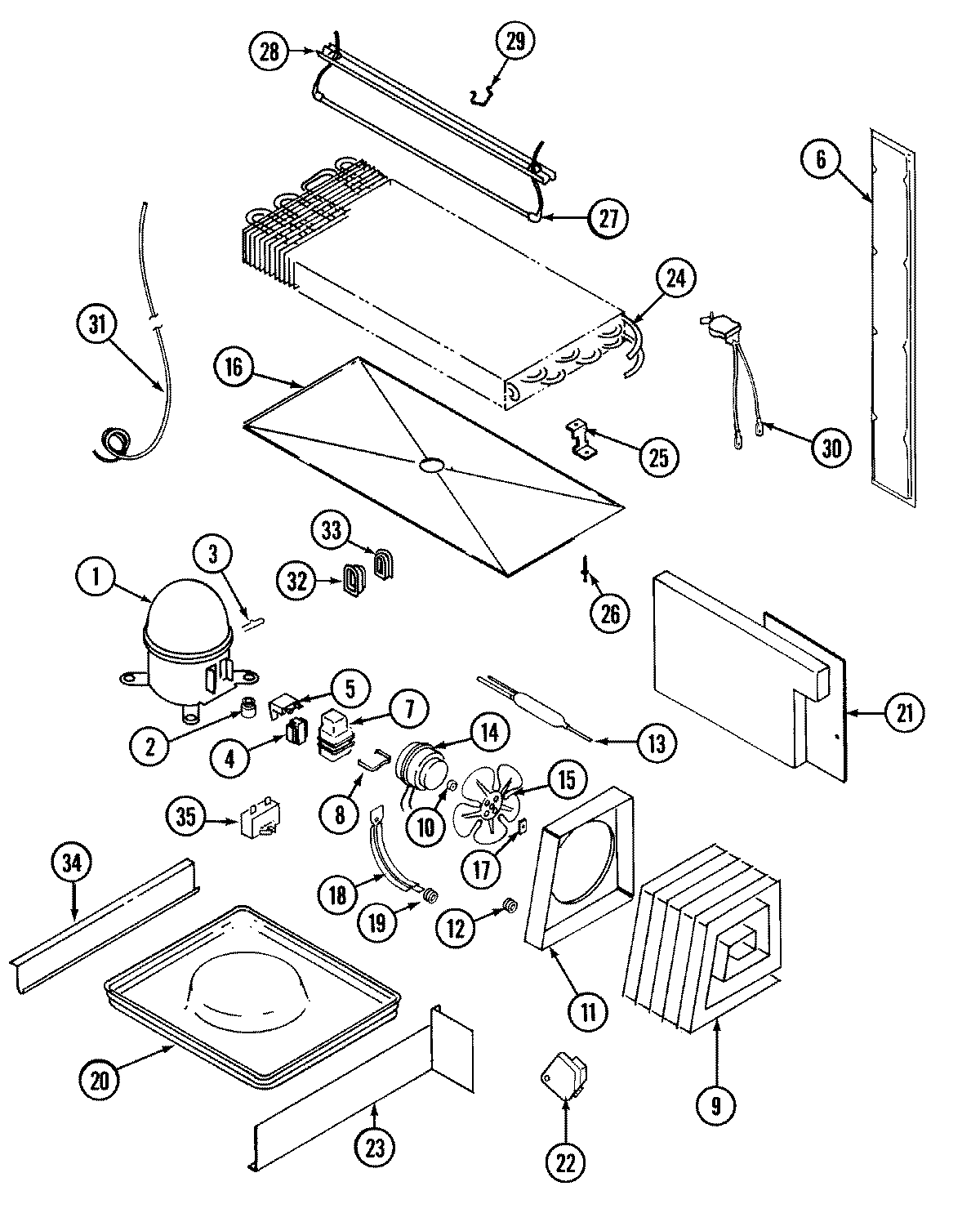
GT17A4XA 06 – UNIT COMPARTMENT & SYSTEMadmin2025-04-26T11:25:25+00:00GT17A4XA 06 – UNIT COMPARTMENT & SYSTEM ProductsPositionProduct1MAY RA10321MAY RA1011-11MAY 52656-22MAY 17245-43MAY 52778-23MAY 62165-14MAY 610018004WP10097202 Whirlpool Refrigerator Start Device42154436 Whirlpool Refrigerator Start Relay52176790 Whirlpool Refrigerator Overload5MAY 69105-1054388953 Whirlpool Overload Relay6MAY 60177-46MAY 610015666MAY 70164-16MAY 60110-66MAY 65275-767MAY 69754-17MAY 66589-28MAY 65886-18MAY 59596-19MAY 414001-19MAY 60408-29MAY 60434-310MAY 6100168611MAY 66228-112MAY 53351-113WPW10143759 Whirlpool Dryer Filter14MAY 68445-314MAY 6100156214MAY 65275-3315WP12587601 Whirlpool Refrigerator Condenser Blade16MAY 69118-117WP486692 Whirlpool Refrigerator Nut18MAY 69181-119MAY 56933-121WP488729 Whirlpool Refrigerator Door Screw21MAY 66338-322MAY 405007-122MAY 68233-123MAY 66493-124MAY 69822-125MAY 60108-226MAY 26397-927WP60106-34 Whirlpool Refrigerator Heater28MAY 60109-429MAY 68935-130WP52085-28 Whirlpool Thermostat31MAY 65013-2631MAY 68186-131MAY 66223-131MAY 65013-432MAY 60068-133MAY 60069-134MAY 400017-3634MAY 60555-234MAY 60555-135WP2262343 Whirlpool Refrigerator/Freezer Capacitor35WP489478 Whirlpool Refrigerator Screw35WP65889-4 Whirlpool Refrigerator Capacitor36MAY 108340-3