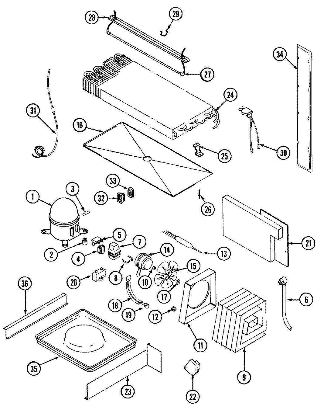
GT17A6XA 07 – UNIT COMPARTMENT & SYSTEMadmin2025-04-26T11:25:02+00:00GT17A6XA 07 – UNIT COMPARTMENT & SYSTEM ProductsPositionProduct1MAY RA1011-11MAY RA1032-12MAY 17245-43MAY 62165-13MAY 414011-14WP10097202 Whirlpool Refrigerator Start Device42154436 Whirlpool Refrigerator Start Relay5MAY 69105-1054388953 Whirlpool Overload Relay6MAY 52890-27MAY 69754-17MAY 66589-28MAY 59596-18MAY 65886-19MAY 60408-29MAY 60434-310MAY 69063-111MAY 66228-112MAY 53351-113WPW10143759 Whirlpool Dryer Filter14MAY 65275-3314MAY 6100156214MAY 68445-315WP12587601 Whirlpool Refrigerator Condenser Blade16MAY 69118-117WP486692 Whirlpool Refrigerator Nut18MAY 69181-119MAY 56933-120WP65889-4 Whirlpool Refrigerator Capacitor21WP488729 Whirlpool Refrigerator Door Screw21MAY 66338-322MAY 405007-122MAY 68233-123MAY 66493-124MAY 69822-125MAY 60108-226MAY 26397-927WP60106-34 Whirlpool Refrigerator Heater28MAY 60109-429MAY 68825-130WP52085-28 Whirlpool Thermostat31MAY 65398-131MAY 65013-2631MAY 66223-132MAY 60068-133MAY 70162-133MAY 108340-333MAY 6100156033MAY 60069-133MAY 60177-434MAY 60110-636WP489478 Whirlpool Refrigerator Screw36MAY 60555-136MAY 60555-2