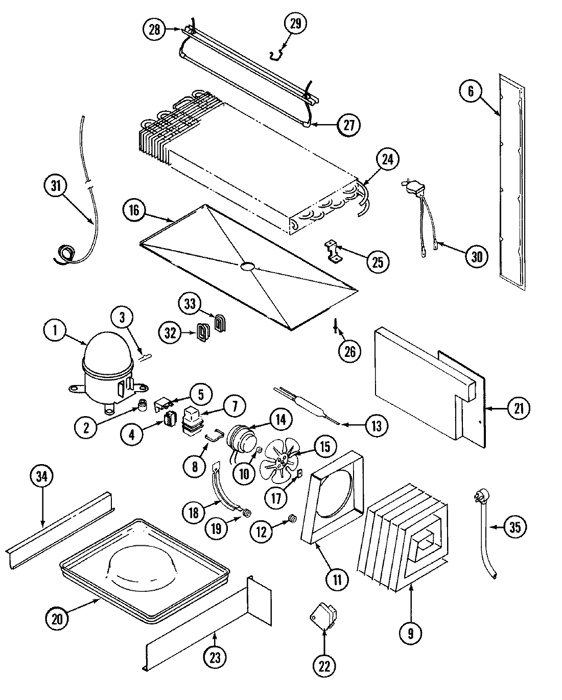
GT17B6N3EA 08 – UNIT COMPARTMENT & SYSTEMadmin2025-04-26T11:23:23+00:00GT17B6N3EA 08 – UNIT COMPARTMENT & SYSTEM ProductsPositionProduct1MAY 52656-21MAY 120011332MAY 17245-43MAY 52778-24MAY 610018325MAY 610010956MAY 60177-46MAY 70075-36MAY 610014046MAY 610029986MAY 65275-506MAY 610011367MAY 69754-18MAY 59596-19MAY 60434-39MAY 414001-19MAY 60408-210MAY 69063-111MAY 6100120512MAY 53351-113WPW10143759 Whirlpool Dryer Filter14MAY 67560-1114MAY 65275-3314MAY 6100120815WP12587601 Whirlpool Refrigerator Condenser Blade16MAY 6100166617WP486692 Whirlpool Refrigerator Nut18MAY 6100141419MAY 56933-121WP488729 Whirlpool Refrigerator Door Screw21MAY 66338-322MAY 66128-422MAY 405007-123MAY 66493-123WP489478 Whirlpool Refrigerator Screw24MAY 69822-125MAY 60108-226MAY 26397-927MAY 60106-4328MAY 60109-429MAY 68825-130WP52085-28 Whirlpool Thermostat31MAY 6100104231MAY 65013-432MAY 60068-133MAY 60069-134MAY 60555-134MAY 400014-134MAY 60555-235MAY 70359-136MAY 108340-3