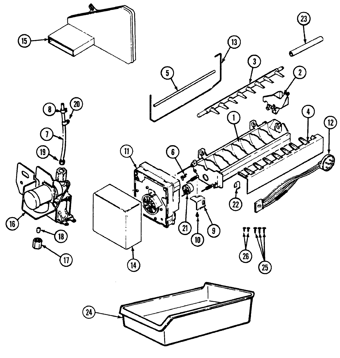
GT17X4XA 05 – OPTIONAL ICE MAKER KITadmin2025-04-26T11:24:20+00:00GT17X4XA 05 – OPTIONAL ICE MAKER KIT ProductsPositionProduct1WP99003172 Whirlpool Silicone L1D7824706Q Whirlpool Refrigerator Ice Maker Assembly2WP628356 Whirlpool Refrigerator Fill Cup3WP627843 Whirlpool Refrigerator Ejector Arm4WP2182124 Whirlpool Refrigerator Stripper Arm5MAY 67556-16WP2315522 Whirlpool Refrigerator Clip7MAY 67579-78WPM0114003 Whirlpool Microwave Speed Clip Clamp9BRACKET, MODULE & HEATER10MAY 95108-111MAY 95110-111MAY 95109-112MAY 67910-113MAY 68112-114MAY 68328-215MAY 68412-215MAY 68412-315MAY 68412-116MAY 69364-117WP245183 Whirlpool Nut18WP487627 Whirlpool Refrigerator Sleeve19WP627018 Whirlpool Refrigerator Nut20W10833902 Whirlpool Refrigerator Clamp20MAY 23197-820SCREW21WP627985 Whirlpool Icemaker Cycling Thermostat21MAY 95093-122MAY 68118-123MAY 67666-524MAY 60653-125MAY 400021-126MAY 401017-1