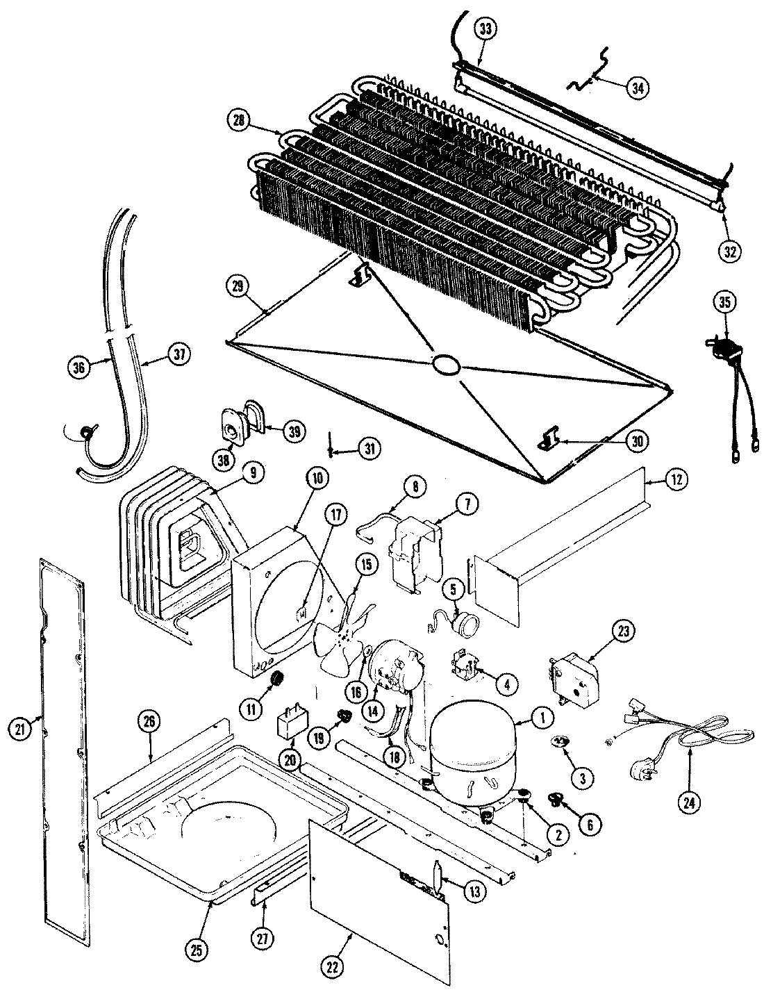
GT17X4XV 05 – UNIT COMPARTMENT & SYSTEMadmin2025-04-26T11:24:37+00:00GT17X4XV 05 – UNIT COMPARTMENT & SYSTEM ProductsPositionProduct1MAY 120000461MAY RA10112MAY 17245-43MAY 52778-23MAY 414011-142154436 Whirlpool Refrigerator Start Relay5MAY 69105-95MAY 69105-106MAY 52656-27MAY 66589-28MAY 65886-19MAY RA43871-19MAY 60408-110MAY 66228-111MAY 414001-111MAY 53351-112MAY 66493-113MAY 1390014MAY 65275-3314MAY 68445-315WP12587601 Whirlpool Refrigerator Condenser Blade16MAY 19913-417WP486692 Whirlpool Refrigerator Nut18MAY 66225-119MAY 56933-120WP2262343 Whirlpool Refrigerator/Freezer Capacitor20WPW10662129 Whirlpool Refrigerator Run Capacitor21MAY 60110-222WP488729 Whirlpool Refrigerator Door Screw22MAY 66338-123MAY 405007-123MAY 69543-224MAY 52890-226MAY 60555-127WP489478 Whirlpool Refrigerator Screw27MAY 60555-228MAY 69822-129MAY 69118-130MAY 60108-131MAY 26397-932WP60106-34 Whirlpool Refrigerator Heater33MAY 60109-434MAY 68935-135WP52085-28 Whirlpool Thermostat36MAY 65013-437MAY 65398-137MAY 66223-138MAY 60068-139MAY 60069-139MAY 69291-139MAY 60177-240MAY 108340-1