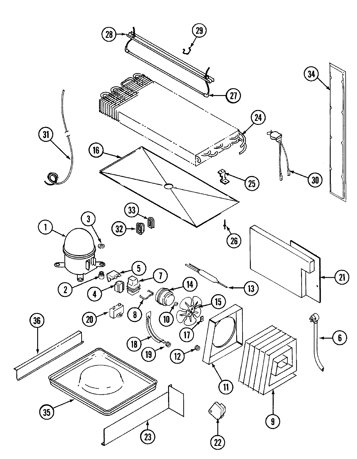
GT17X8FA 07 – UNIT COMPARTMENT & SYSTEMadmin2025-04-26T11:25:32+00:00GT17X8FA 07 – UNIT COMPARTMENT & SYSTEM ProductsPositionProduct1MAY RA1011-12MAY 17245-43MAY 414011-13MAY 62165-142154436 Whirlpool Refrigerator Start Relay5MAY 69105-106MAY 52890-27MAY 66589-28MAY 65886-19MAY 60434-39MAY 60408-110MAY 19913-411MAY 66228-112MAY 53351-113MAY 1390014MAY 65275-3314MAY 68445-315WP12587601 Whirlpool Refrigerator Condenser Blade16MAY 69118-117WP486692 Whirlpool Refrigerator Nut18MAY 56936-119MAY 56933-120WPW10662129 Whirlpool Refrigerator Run Capacitor21MAY 66338-221WP488729 Whirlpool Refrigerator Door Screw22MAY 69543-122MAY 405007-123MAY 66493-124MAY 69822-125MAY 60108-226MAY 26397-927WP60106-35 Whirlpool Defrost Heater Assembly28MAY 60109-429MAY 68935-130WP52085-28 Whirlpool Thermostat31MAY 65013-431MAY 65398-131MAY 66223-132MAY 60177-232MAY 70162-132MAY 60068-133MAY 60069-134MAY 60110-236MAY 60555-136WP489478 Whirlpool Refrigerator Screw36MAY 60555-237MAY 108340-1