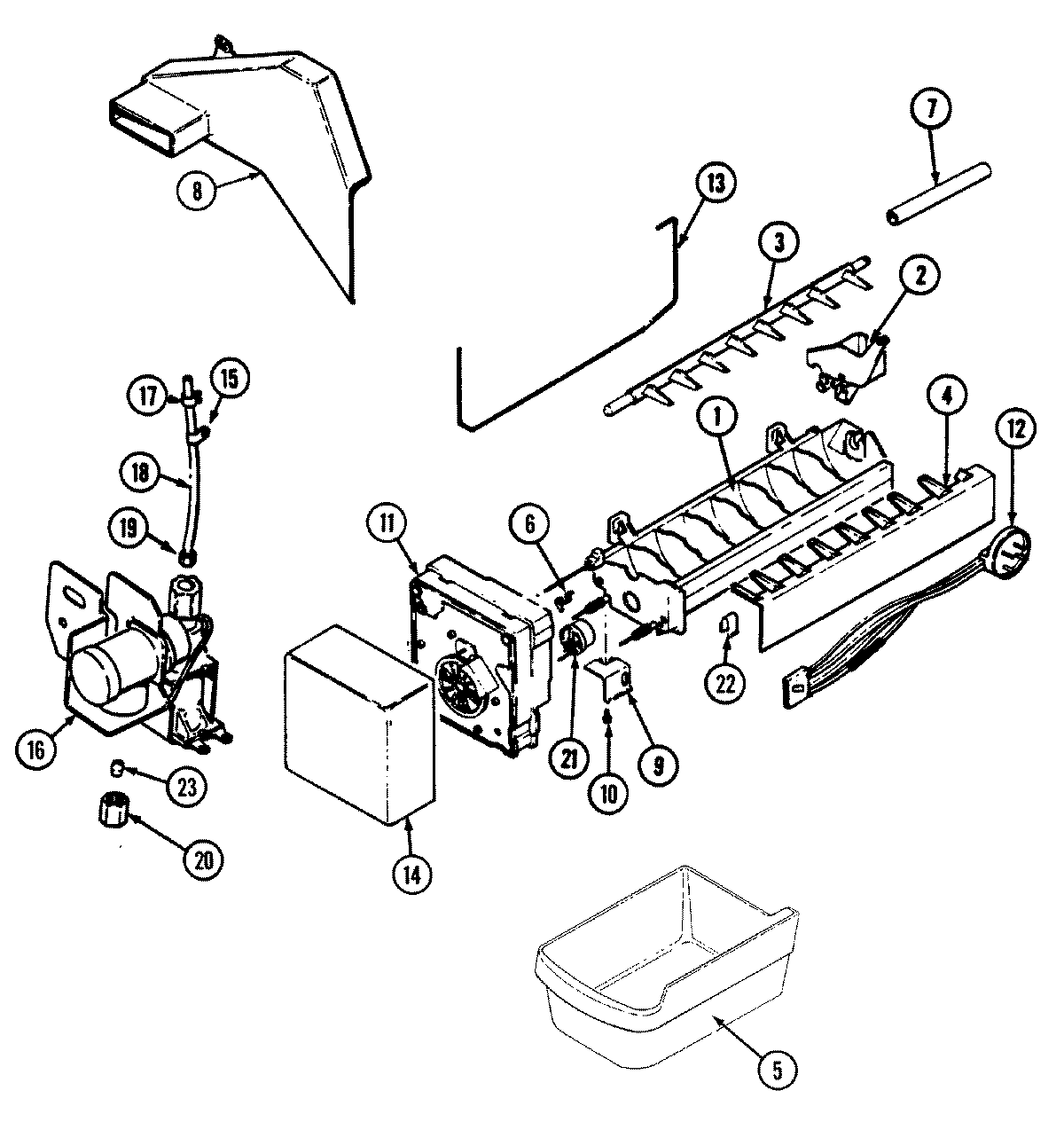
GT17Y7V 03 – OPTIONAL ICE MAKERadmin2025-04-26T11:24:53+00:00GT17Y7V 03 – OPTIONAL ICE MAKER ProductsPositionProduct1D7824706Q Whirlpool Refrigerator Ice Maker Assembly1WP99003172 Whirlpool Silicone L2WP628356 Whirlpool Refrigerator Fill Cup3WP627843 Whirlpool Refrigerator Ejector Arm4WP2182124 Whirlpool Refrigerator Stripper Arm5WP67001255 Whirlpool Ice Bucket6WP2315522 Whirlpool Refrigerator Clip7MAY 67676-18MAY 400021-18MAY 68412-19BRACKET, MODULE & HEATER10MAY 95108-111MAY 95109-112MAY 70076-113MAY 68112-114MAY 68328-215W10833902 Whirlpool Refrigerator Clamp15SCREW16MAY 69364-117WPM0114003 Whirlpool Microwave Speed Clip Clamp18MAY 67579-719WP627018 Whirlpool Refrigerator Nut20WP245183 Whirlpool Nut21WP627985 Whirlpool Icemaker Cycling Thermostat21MAY 95093-122MAY 68118-123WP487627 Whirlpool Refrigerator Sleeve