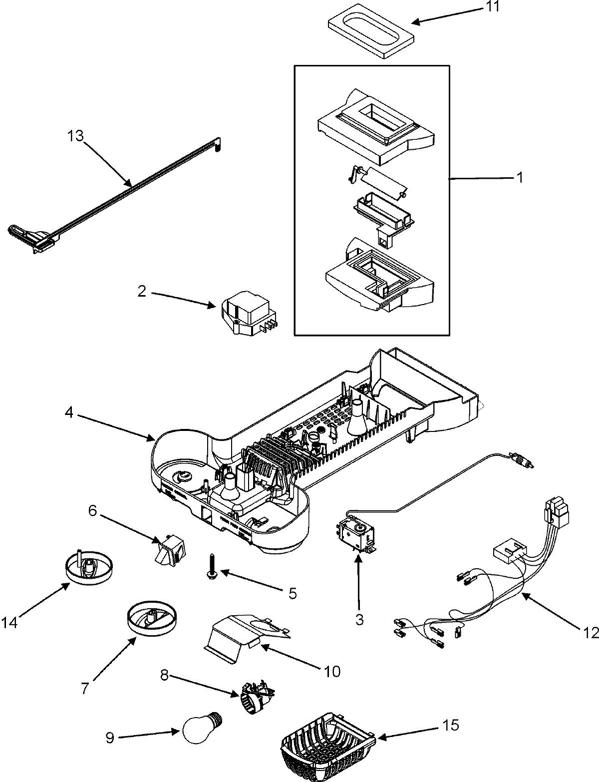
GT1827PEKS 02 – CONTROLS