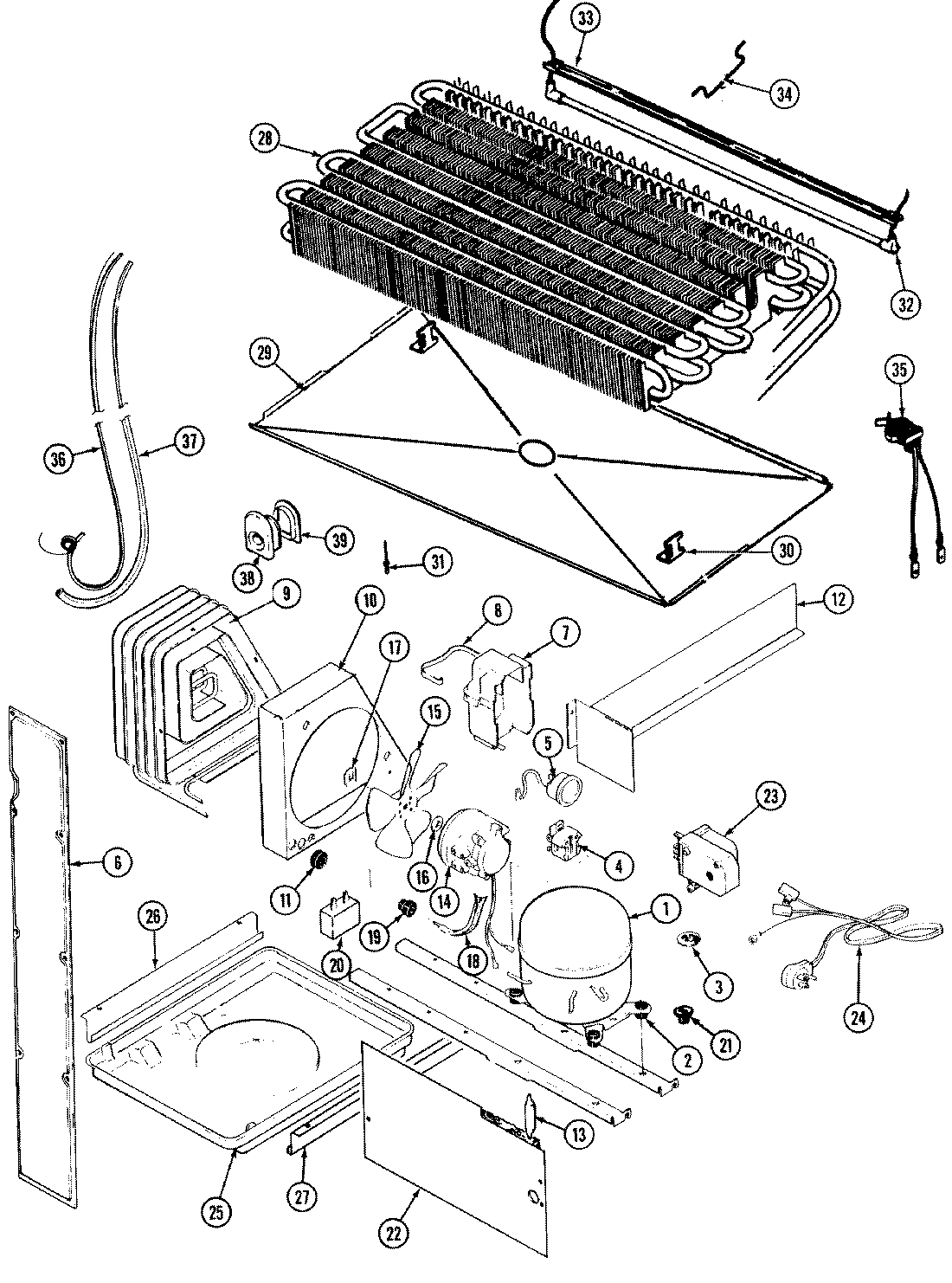
GT18X9D3A 09 – UNIT COMPARTMENT & SYSTEMadmin2025-04-26T11:24:00+00:00GT18X9D3A 09 – UNIT COMPARTMENT & SYSTEM ProductsPositionProduct1MAY RA10292MAY 17245-43MAY 62165-13MAY 414011-14MAY 68857-45MAY 69105-16MAY 60110-67MAY 69754-18MAY 59596-19MAY 60434-39MAY 60408-210MAY 66228-111MAY 53351-112MAY 66493-113MAY 1390014MAY 68445-814MAY 65275-3315WP12587601 Whirlpool Refrigerator Condenser Blade16MAY 60486-117MAY 19914-118MAY 69181-119MAY 56933-121MAY 52656-222MAY 66338-422WP488729 Whirlpool Refrigerator Door Screw23MAY 66128-523MAY 405007-124MAY 52890-226MAY 60555-127MAY 60555-227WP489478 Whirlpool Refrigerator Screw28MAY 69822-1029MAY 69118-430MAY 60108-231MAY 26397-932MAY 60106-3833MAY 60109-534MAY 60263-135MAY 52085-3336MAY 65013-2637MAY 65398-137MAY 66223-138MAY 60068-139MAY 60069-139MAY 60177-239MAY 69969-240MAY 108568-1