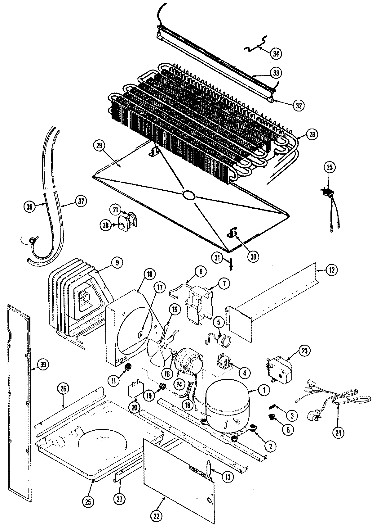
GT18Y8DV 06 – UNIT COMPARTMENT & SYSTEM