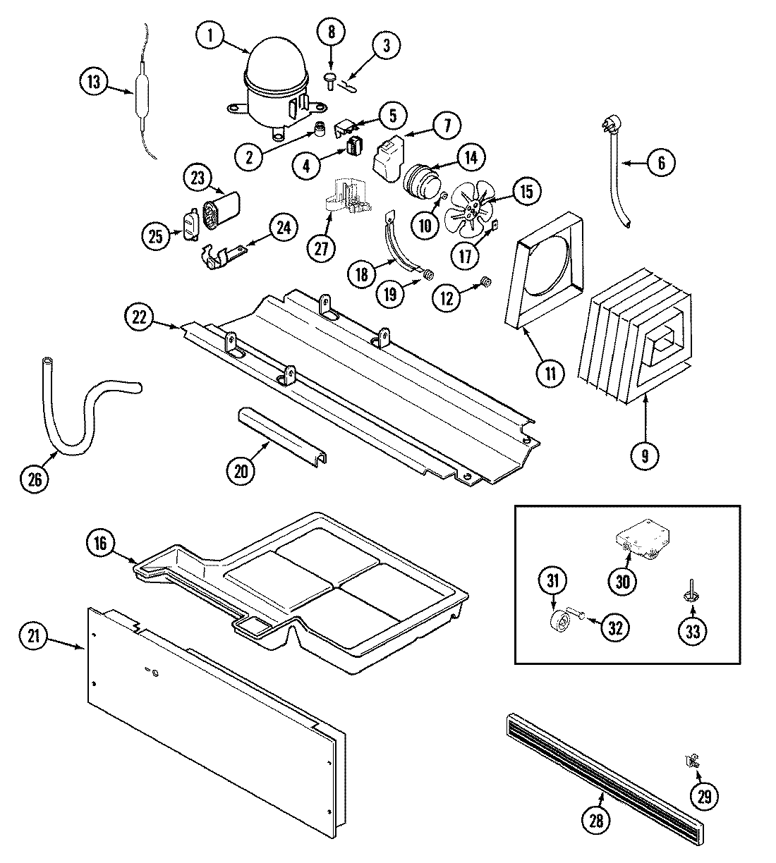
GT1928PDCW 01 – COMPRESSORadmin2025-04-26T11:23:51+00:00GT1928PDCW 01 – COMPRESSOR ProductsPositionProduct1MAY 120013761MAY 610020972MAY 17245-43MAY 610030994MAY 610018325MAY 610020826MAY 610018357MAY 610020838MAY 52656-29WP489399 Whirlpool Refrigerator Screw9MAY 6100281110MAY 6100168611MAY 6100194112MAY 6100203313WPW10143759 Whirlpool Dryer Filter14MAY 65275-3314MAY 6100208415WP12587601 Whirlpool Refrigerator Condenser Blade16MAY 6100195517WP486692 Whirlpool Refrigerator Nut18MAY 6100141419MAY 56933-120MAY 6100197421MAY 6100234121MAY 65275-521MAY 65275-4922MAY 6100232722WP67006715 Whirlpool Refrigerator Screw23MAY 6100208124MAY 6100183024WP489478 Whirlpool Refrigerator Screw25MAY 6100183126MAY 6100221427MAY 6100311228MAY 6100242729MAY 6100197530SCREW30MAY 6100206631MAY 6100210332WP61002104 Whirlpool Refrigerator Pin Wheel33MAY 6100210533MAY 69810-134MAY 6100213535MAY 1600824835MAY 16008421