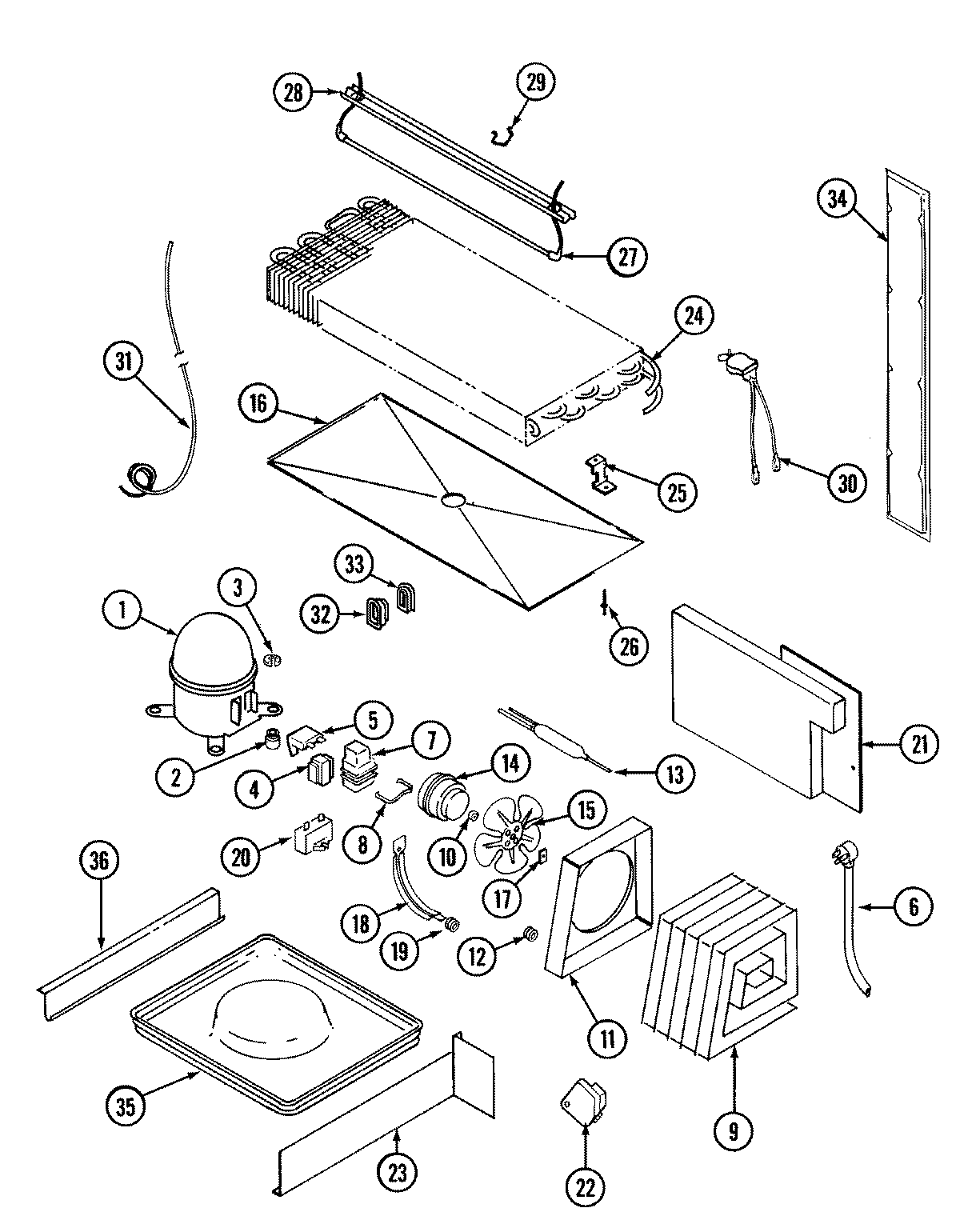
GT19A43V 08 – UNIT COMPARTMENT & SYSTEMadmin2025-04-26T11:25:38+00:00GT19A43V 08 – UNIT COMPARTMENT & SYSTEM ProductsPositionProduct1MAY RA10292MAY 17245-43MAY 62165-14MAY 68857-55MAY 69105-16MAY 52890-37MAY 69754-18MAY 59596-19MAY 60408-29MAY 60434-39MAY 414001-110MAY 69063-111MAY 66228-112MAY 53351-113MAY 1390014MAY 68445-314MAY 6100120814MAY 65275-3315WP12587601 Whirlpool Refrigerator Condenser Blade16MAY 69118-117WP486692 Whirlpool Refrigerator Nut18MAY 6100141419MAY 56933-120WP2262343 Whirlpool Refrigerator/Freezer Capacitor21WP488729 Whirlpool Refrigerator Door Screw21MAY 6100154822MAY 66128-522MAY 405007-123WP489478 Whirlpool Refrigerator Screw23MAY 66493-124MAY 69822-725MAY 60108-226MAY 26397-927MAY 60106-4428MAY 60109-529MAY 68825-130WP52085-28 Whirlpool Thermostat31MAY 65013-2231MAY 6100104232MAY 60068-133MAY 60069-134MAY 60110-434MAY 60177-434MAY 6100156034MAY 65275-5036MAY 60555-136MAY 60555-236MAY 400014-137MAY 108340-3