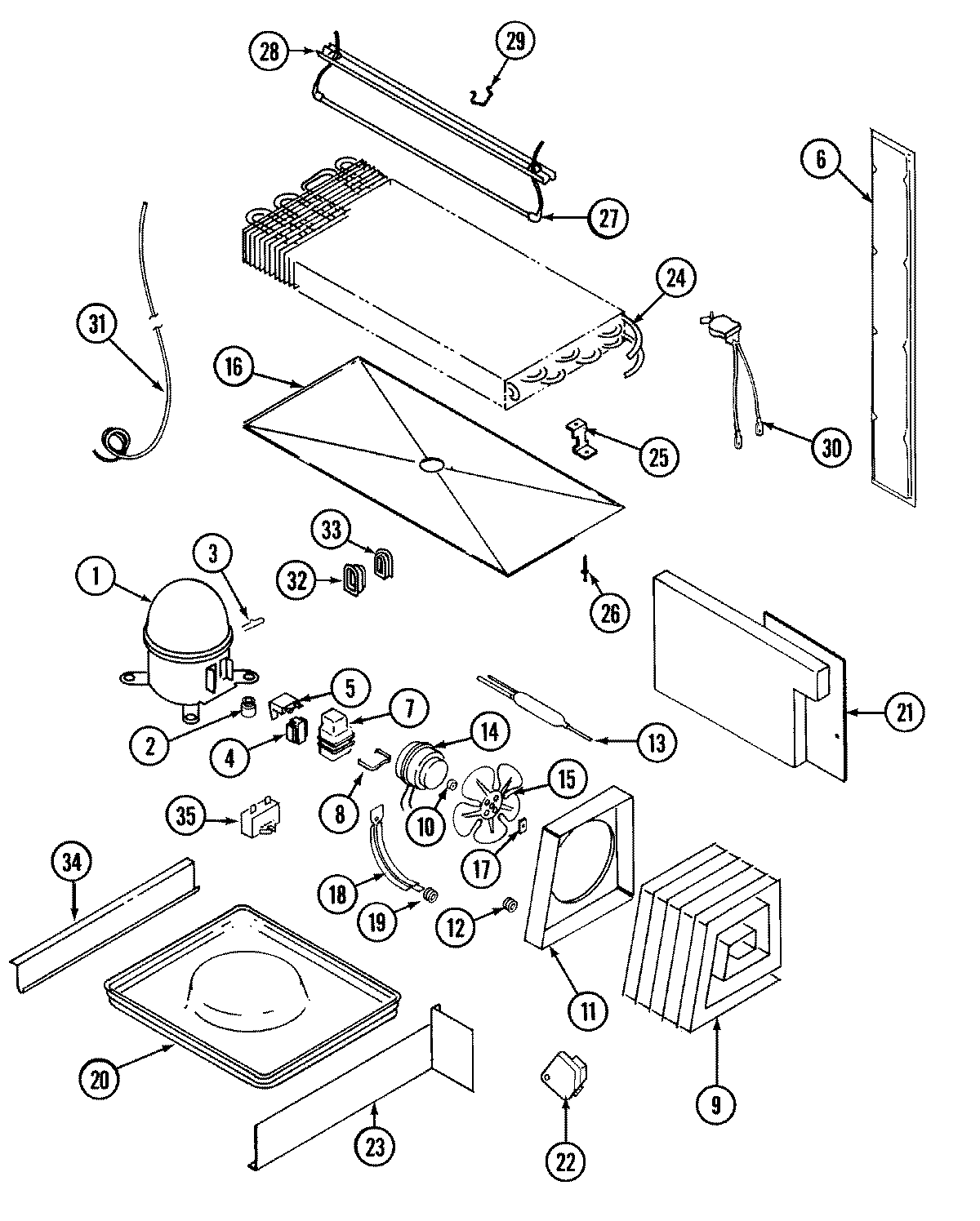
GT19A4XA 06 – UNIT COMPARTMENT & SYSTEMadmin2025-04-26T11:23:51+00:00GT19A4XA 06 – UNIT COMPARTMENT & SYSTEM ProductsPositionProduct1MAY RA10321MAY RA1011-11MAY 52656-22MAY 17245-43MAY 62165-13MAY 52778-242154436 Whirlpool Refrigerator Start Relay4WP10097202 Whirlpool Refrigerator Start Device54388953 Whirlpool Overload Relay5MAY 69105-106MAY 610015666MAY 60177-46MAY 70164-16MAY 65275-766MAY 60110-67MAY 66589-27MAY 69754-18MAY 65886-18MAY 59596-19MAY 414001-19MAY 60408-29MAY 60434-310MAY 6100168611MAY 66228-112MAY 53351-113WPW10143759 Whirlpool Dryer Filter14MAY 68445-114MAY 6100101614MAY 65275-3315WP12587601 Whirlpool Refrigerator Condenser Blade16MAY 69118-217WP486692 Whirlpool Refrigerator Nut18MAY 69181-119MAY 56933-121MAY 66338-421MAY 65275-522MAY 405007-122WP68233-2 Whirlpool Refrigerator Defrost Timer23MAY 66493-124MAY 69822-725MAY 60108-226MAY 26397-927WP60106-35 Whirlpool Defrost Heater Assembly28MAY 60109-529MAY 68935-130MAY 52085-3331MAY 65013-2231MAY 68186-131MAY 65013-2632MAY 60068-133MAY 60069-134MAY 400017-3634MAY 60555-234MAY 60555-135WP65889-4 Whirlpool Refrigerator Capacitor35WP2262343 Whirlpool Refrigerator/Freezer Capacitor35WP489478 Whirlpool Refrigerator Screw36MAY 108340-3