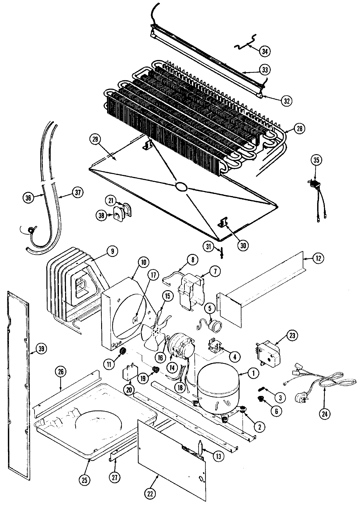
GT19A6XA 07 – UNIT COMPARTMENT & SYSTEMadmin2025-04-26T11:25:50+00:00GT19A6XA 07 – UNIT COMPARTMENT & SYSTEM ProductsPositionProduct1MAY RA1011-11MAY RA10322MAY 17245-43MAY 62165-14WP10097202 Whirlpool Refrigerator Start Device42154436 Whirlpool Refrigerator Start Relay5MAY 69105-1054388953 Whirlpool Overload Relay6MAY 52656-27MAY 66589-27MAY 69754-18MAY 59596-19MAY 60408-29MAY 60434-310MAY 66228-110MAY 414001-111MAY 53351-112MAY 66493-113MAY 1390014MAY 68445-114MAY 6100101614MAY 65275-3315WP12587601 Whirlpool Refrigerator Condenser Blade16MAY 69063-117WP486692 Whirlpool Refrigerator Nut18MAY 69181-119MAY 56933-120WP65889-4 Whirlpool Refrigerator Capacitor20WP2262343 Whirlpool Refrigerator/Freezer Capacitor21MAY 60069-122MAY 66338-422WP488729 Whirlpool Refrigerator Door Screw23MAY 405007-123WP68233-2 Whirlpool Refrigerator Defrost Timer24MAY 52890-326MAY 60555-127WP489478 Whirlpool Refrigerator Screw27MAY 60555-228MAY 69822-729MAY 69118-230MAY 60108-231MAY 26397-932WP60106-35 Whirlpool Defrost Heater Assembly33MAY 60109-534MAY 68935-135MAY 52085-3336MAY 65013-2636MAY 65013-2237MAY 66223-137MAY 68186-138MAY 60068-139MAY 60110-239MAY 65275-5040MAY 70162-140MAY 60177-440MAY 6100156041MAY 1600032941MAY 108340-3