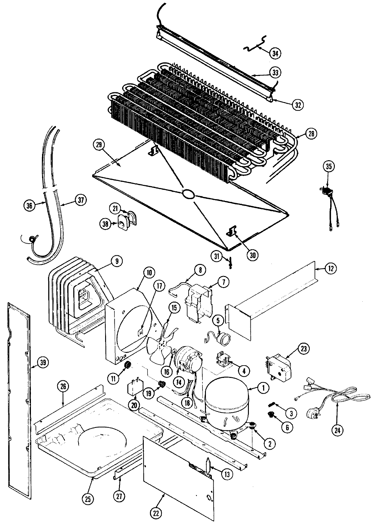
GT19A6XV 05 – UNIT COMPARTMENT & SYSTEM