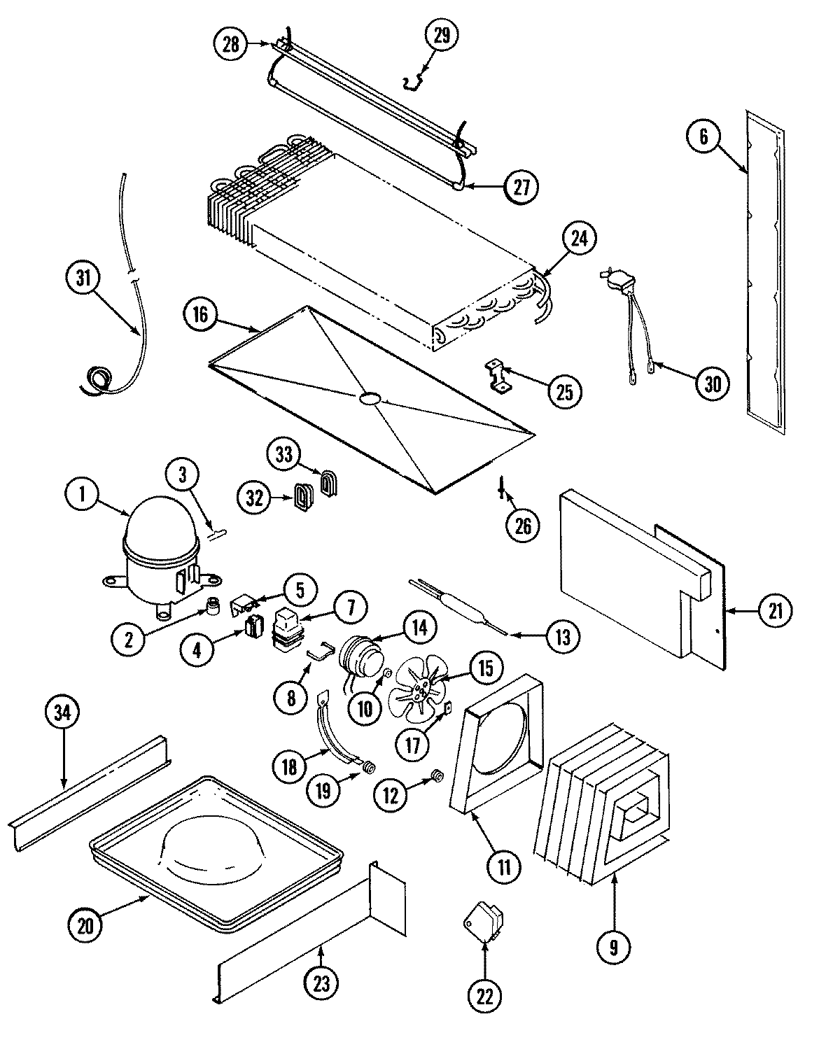
GT19A93V 07 – UNIT COMPARTMENT & SYSTEM