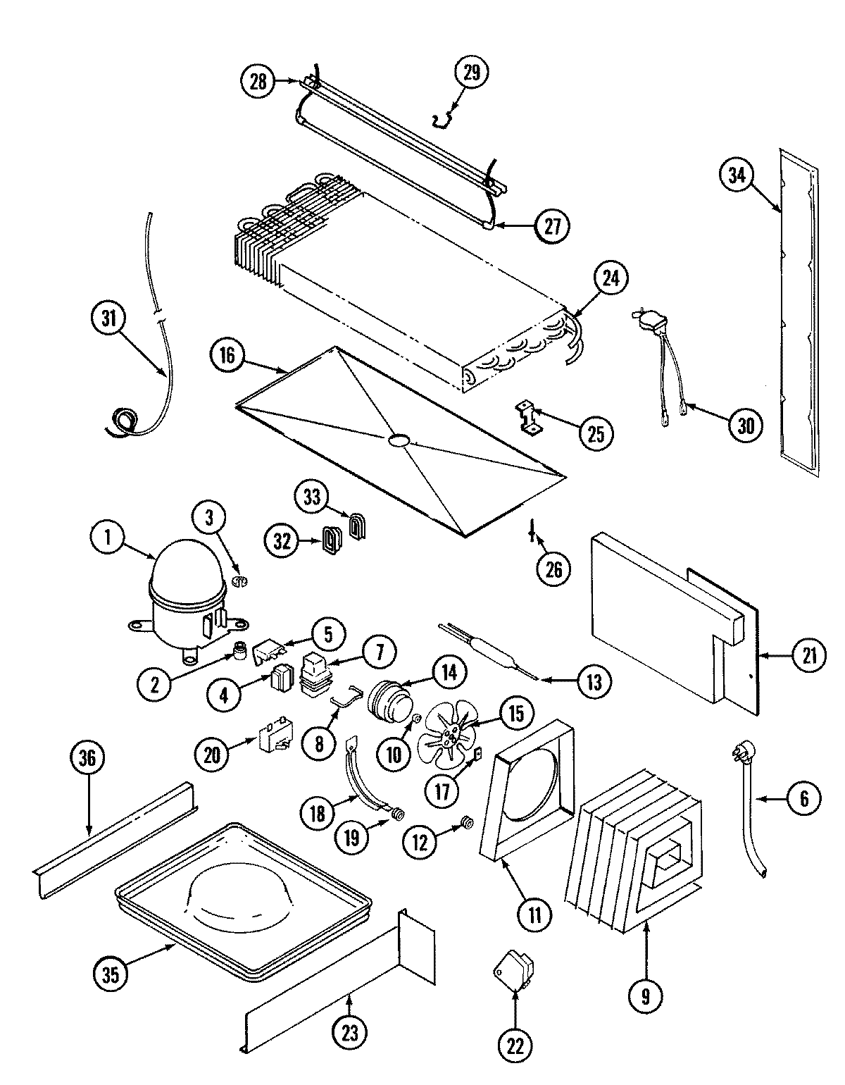
GT19Y7V 06 – UNIT COMPARTMENT & SYSTEMadmin2025-04-26T11:23:28+00:00GT19Y7V 06 – UNIT COMPARTMENT & SYSTEM ProductsPositionProduct1MAY RA1011-11MAY RA10322MAY 17245-43MAY 414011-13MAY 6100297042154436 Whirlpool Refrigerator Start Relay4WP10097202 Whirlpool Refrigerator Start Device5MAY 69105-1054388953 Whirlpool Overload Relay6MAY 65275-506MAY 52890-27MAY 66589-27MAY 69754-18MAY 59596-18MAY 65886-19MAY 60408-29MAY 60434-310MAY 69063-111MAY 66228-112MAY 53351-113MAY 1390014MAY 67560-114MAY 6100101614MAY 65275-3315WP12587601 Whirlpool Refrigerator Condenser Blade16MAY 69118-217WP486692 Whirlpool Refrigerator Nut18MAY 69181-119MAY 56933-120WP2262343 Whirlpool Refrigerator/Freezer Capacitor20WP65889-4 Whirlpool Refrigerator Capacitor21WP488729 Whirlpool Refrigerator Door Screw21MAY 66338-422MAY 405007-122MAY 68233-123MAY 414001-123MAY 66493-124MAY 69822-725MAY 60108-226MAY 26397-927WP60106-35 Whirlpool Defrost Heater Assembly28MAY 60109-529MAY 68935-130WP52085-28 Whirlpool Thermostat31MAY 65398-131MAY 65013-2231MAY 66223-131MAY 65013-432MAY 60068-133MAY 60069-134MAY 60110-234MAY 70164-134MAY 6100156634MAY 60177-436WP489478 Whirlpool Refrigerator Screw36MAY 60555-236MAY 60555-137MAY 108340-2