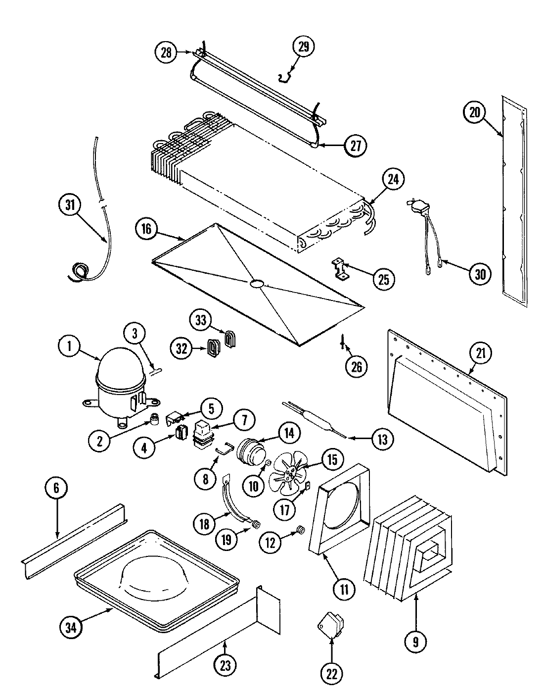
GT21A83V 08 – UNIT COMPARTMENT & SYSTEMadmin2025-04-26T11:25:36+00:00GT21A83V 08 – UNIT COMPARTMENT & SYSTEM ProductsPositionProduct1MAY 52656-21MAY RA1029-12MAY 17245-43MAY 52778-24MAY 610010795MAY 69105-16MAY 60555-16MAY 60555-27MAY 69754-18MAY 59596-19MAY 414001-19MAY 60408-29MAY 60434-310MAY 6100168611MAY 6100120512MAY 53351-113WPW10143759 Whirlpool Dryer Filter14MAY 68445-814MAY 6100120814MAY 65275-3315WP12587601 Whirlpool Refrigerator Condenser Blade16MAY 69118-217WP486692 Whirlpool Refrigerator Nut18MAY 6100141419MAY 56933-120MAY 60110-420MAY 6100310620MAY 70075-420MAY 60177-420MAY 65275-7621MAY 6100154821MAY 6100148522MAY 66128-522MAY 405007-123MAY 400017-3623MAY 66493-124MAY 69822-725MAY 60108-226MAY 26397-927MAY 60106-4428MAY 60109-529MAY 68935-130WP52085-28 Whirlpool Thermostat31MAY 6100104231MAY 65013-2232MAY 60068-133MAY 60069-135MAY 108340-3