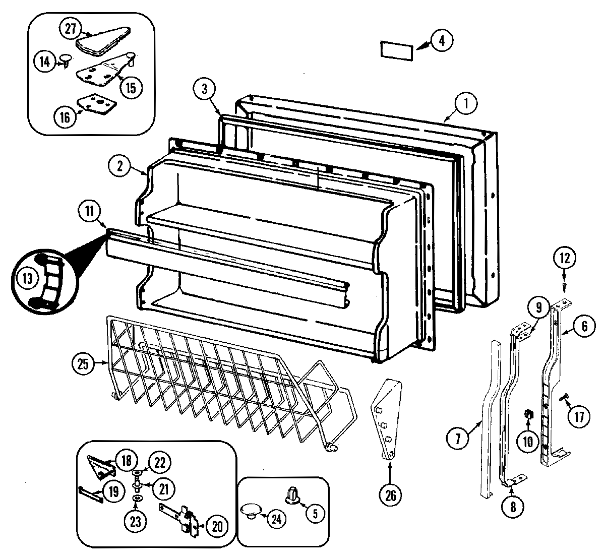
GT21A93V 03 – FREEZER DOORadmin2025-04-26T11:28:01+00:00GT21A93V 03 – FREEZER DOOR ProductsPositionProduct1MAY 72345-16-WW2MAY 69470-72MAY 65275-53MAY 70025-54MAY 66982-295MAY 67678-26MAY 70050-17MAY 70053-98MAY 70052-48MAY 65275-229MAY 67934-110MAY 69743-111WP70111-108 Whirlpool Refrigerator Shelf Trim12MAY 65275-801370197-1 Whirlpool Refrigerator Door Shelf Bar Trim Retainer End Cap14MAY 56144-1315MAY 53709-2415MAY 65275-5216MAY 65031-117MAY 415033-118MAY 65275-5518MAY 69514-219MAY 69515-120MAY 68377-121MAY 69517-222MAY 67483-623MAY 54233-224MAY 67634-224MAY 69256-224MAY 65275-4825MAY 70320-126MAY 70321-226MAY 70321-127MAY 70121-4