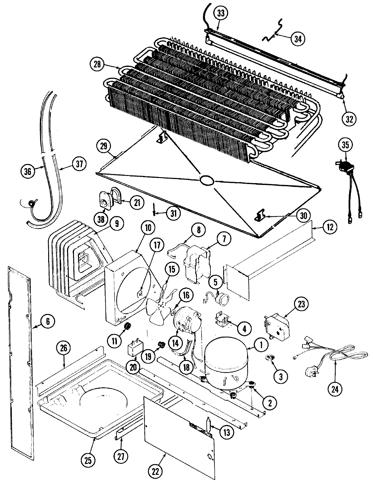
GT23A83A 06 – UNIT COMPARTMENT & SYSTEMadmin2025-04-26T11:27:44+00:00GT23A83A 06 – UNIT COMPARTMENT & SYSTEM ProductsPositionProduct1MAY RA10292MAY 17245-43MAY 414011-13MAY 52778-24MAY 68857-45MAY 69105-16MAY 60110-27MAY 69754-18MAY 59596-19MAY 60408-29MAY 60434-310MAY 66228-111MAY 53351-112MAY 66493-113MAY 1390014MAY 408015-114MAY 68445-815WP12587601 Whirlpool Refrigerator Condenser Blade16MAY 19913-417MAY 19914-118MAY 69181-119MAY 56933-120NOT REQUIRED PART OR SEE NOTE FUSE (NOT REQUIRED)21MAY 60069-122WP488729 Whirlpool Refrigerator Door Screw22MAY 66338-423MAY 405007-123MAY 66128-524MAY 52890-226MAY 60555-127MAY 60555-228MAY 69822-829MAY 69118-330MAY 60108-231MAY 26397-932MAY 60106-4533MAY 60109-634MAY 68935-135MAY 52085-3336MAY 65013-2237MAY 66223-137MAY 65398-138MAY 60068-139MAY 60177-439WP489478 Whirlpool Refrigerator Screw39MAY 70075-440MAY 108340-3