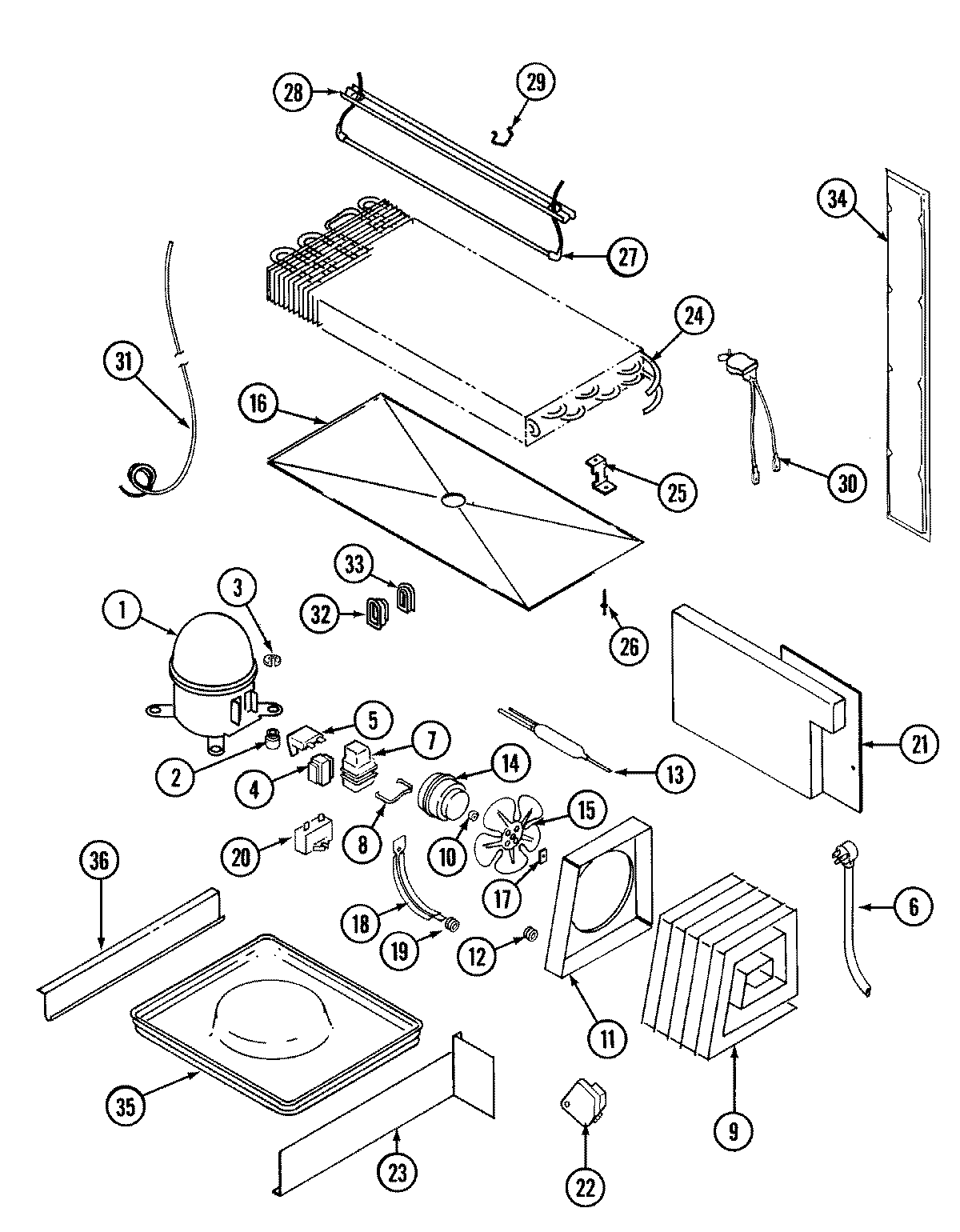
GT23B7N3EA 08 – UNIT COMPARTMENT & SYSTEMadmin2025-04-26T13:09:39+00:00GT23B7N3EA 08 – UNIT COMPARTMENT & SYSTEM ProductsPositionProduct1W10309997 Whirlpool Refrigerator Compressor2MAY 17245-43MAY 52778-24MAY 610010795MAY 610010806MAY 52890-27MAY 69754-18MAY 59596-19MAY 414001-19MAY 60434-39MAY 60408-210MAY 69063-111MAY 6100120512MAY 53351-113WPW10143759 Whirlpool Dryer Filter14MAY 6100120814MAY 65275-3314MAY 68445-815WP12587601 Whirlpool Refrigerator Condenser Blade16MAY 69118-317WP486692 Whirlpool Refrigerator Nut18MAY 6100141419MAY 56933-120WP2262343 Whirlpool Refrigerator/Freezer Capacitor21WP488729 Whirlpool Refrigerator Door Screw21MAY 6100155022MAY 66128-522MAY 405007-123WP489478 Whirlpool Refrigerator Screw23MAY 66493-124MAY 69822-825MAY 60108-226MAY 26397-927MAY 60106-4528MAY 60109-629MAY 68935-130WP52085-28 Whirlpool Thermostat31MAY 6100104231MAY 65013-2232MAY 60068-133MAY 60069-134MAY 65275-5034MAY 70075-434MAY 6100155134MAY 60110-434MAY 60177-436MAY 108340-336MAY 60555-136MAY 400014-136MAY 60555-2