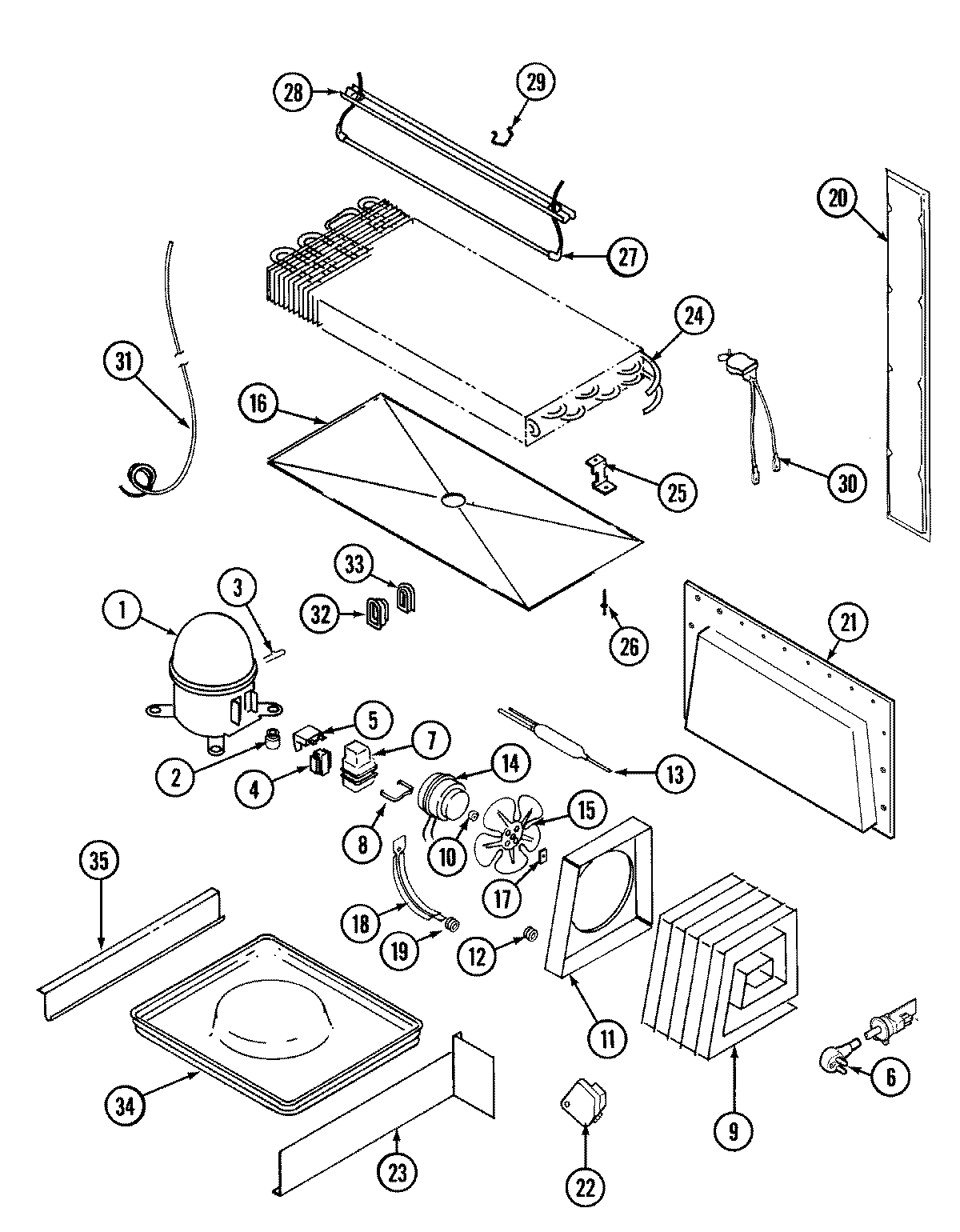
GT23B8N3EV 08 – UNIT COMPARTMENT & SYSTEMadmin2025-04-26T13:08:46+00:00GT23B8N3EV 08 – UNIT COMPARTMENT & SYSTEM ProductsPositionProduct1W10309997 Whirlpool Refrigerator Compressor1MAY 52656-22MAY 17245-43MAY 52778-24MAY 68857-55MAY 69105-186MAY 70359-26MAY 70359-16MAY 70359-37MAY 69754-18MAY 59596-19MAY 414001-19MAY 60408-29MAY 60434-310MAY 6100168611MAY 6100120512MAY 53351-113WPW10143759 Whirlpool Dryer Filter14MAY 6100120814MAY 65275-3315WP12587601 Whirlpool Refrigerator Condenser Blade16MAY 6100166817WP486692 Whirlpool Refrigerator Nut18MAY 6100141419MAY 56933-120MAY 60177-420MAY 60110-420MAY 65275-7620MAY 6100182221MAY 6100148521MAY 6100155022MAY 6100181922MAY 405007-123MAY 66493-124MAY 69822-825MAY 60108-226MAY 26397-927MAY 60106-4528MAY 60109-629MAY 68935-130WP52085-28 Whirlpool Thermostat31MAY 6100104231MAY 65013-2232MAY 60068-133MAY 60069-135MAY 60555-235MAY 60555-135MAY 400017-3637MAY 61001589