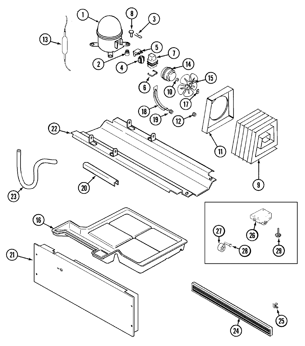
GT2416PXCA 01 – COMPRESSORadmin2025-04-26T13:10:05+00:00GT2416PXCA 01 – COMPRESSOR ProductsPositionProduct1MAY 120013741MAY 610020122MAY 17245-43MAY 52778-24WP10097204 Whirlpool Start Relay5WP2183456 Whirlpool Refrigerator Overload6MAY 610026207MAY 610020208MAY 52656-29MAY 610019579WP489399 Whirlpool Refrigerator Screw10MAY 6100168611MAY 6100194112MAY 6100203313WPW10143759 Whirlpool Dryer Filter14MAY 6100156214MAY 65275-3315WP12587601 Whirlpool Refrigerator Condenser Blade16MAY 6100264916MAY 6100295817WP486692 Whirlpool Refrigerator Nut18MAY 69181-119MAY 56933-120MAY 6100197421MAY 65275-4921MAY 6100251822WP67006715 Whirlpool Refrigerator Screw22MAY 6100251923MAY 6100221424MAY 6100253725MAY 6100197526SCREW26MAY 6100206627MAY 6100210328WP61002104 Whirlpool Refrigerator Pin Wheel29MAY 6100210529MAY 69810-130MAY 6100198131MAY 1600824831MAY 16008421