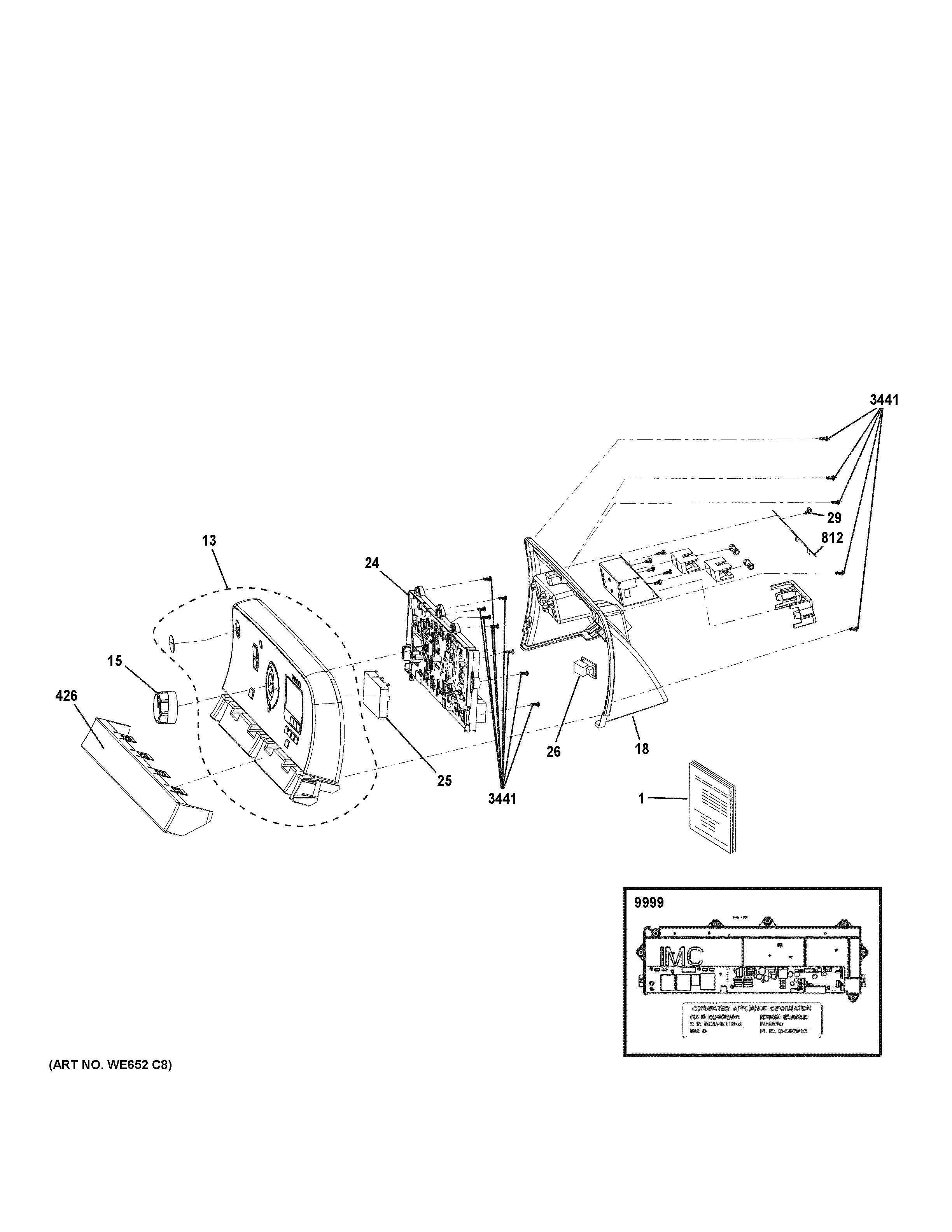
GTD86GSSJ0WS CONTROL PANELadmin2025-04-26T08:43:09+00:00GTD86GSSJ0WS CONTROL PANEL ProductsPositionProduct1PM MANUAL USE & CARE1PM MINI MANUAL1PM INSTRUCTIONS INSTALL13IML PANEL AND BACKSPLASH15KNOB ASM18PANEL BACK ASM24CONTROL ASM25WE05X22967 GE Light Guide and Label Assembly26WE4M549 GE Board Assembly DSM29WB01K10042 GE Oven Screw 3/8" AB IHW 8-18426WE12M53 GE Top Trim812WE01X21667 GE Lid Fuse3441WE2M211 GE Front Screw9999WE25X20060 GE Steam Kit9999KIT WI FI LABEL & PLATFO