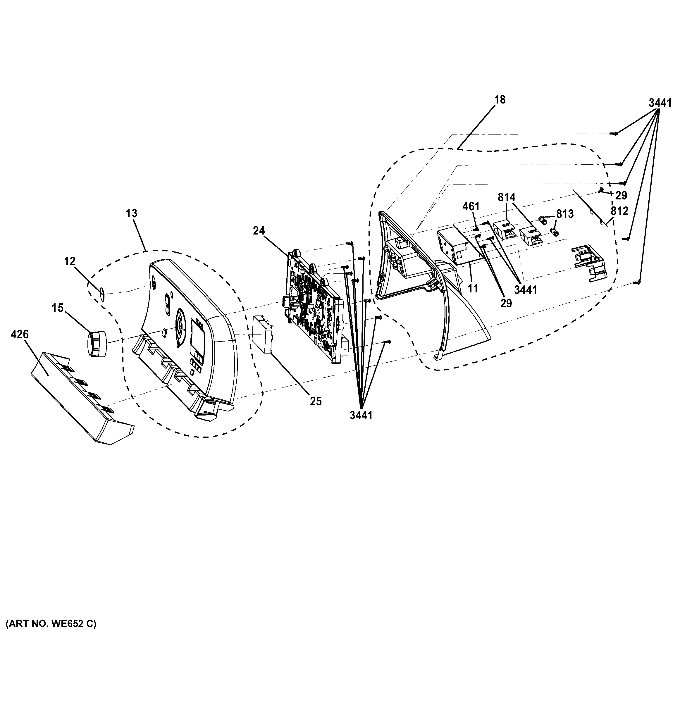
GTDS810GD0WS CONTROL PANELadmin2025-04-26T08:43:27+00:00GTDS810GD0WS CONTROL PANEL ProductsPositionProduct11ENCLOSURE FUSE12BADGE (GE) MG13GEN WE19M175615GEN WH01X1067918GEN WE19M176624WE04X20528 GE Assembly Platform and Board25GEN WE5M10229WB01K10042 GE Oven Screw 3/8" AB IHW 8-18426WE12M53 GE Top Trim461WZ5X158D GE Screw Package of 12812LID FUSE813WE1M1002 GE Washer Fuse814WE1M1003 GE Fuse Holder3441WE2M211 GE Front Screw