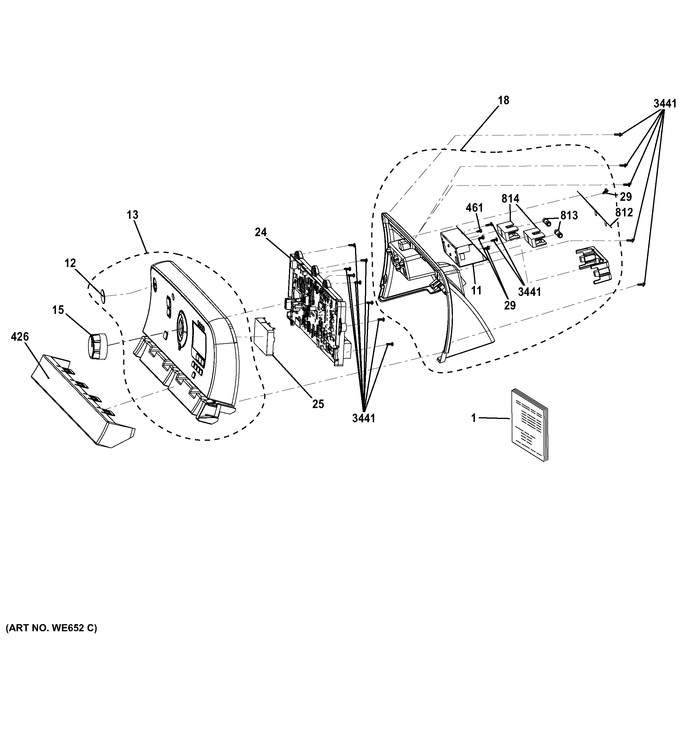
GTDS815ED0MC CONTROL PANEL