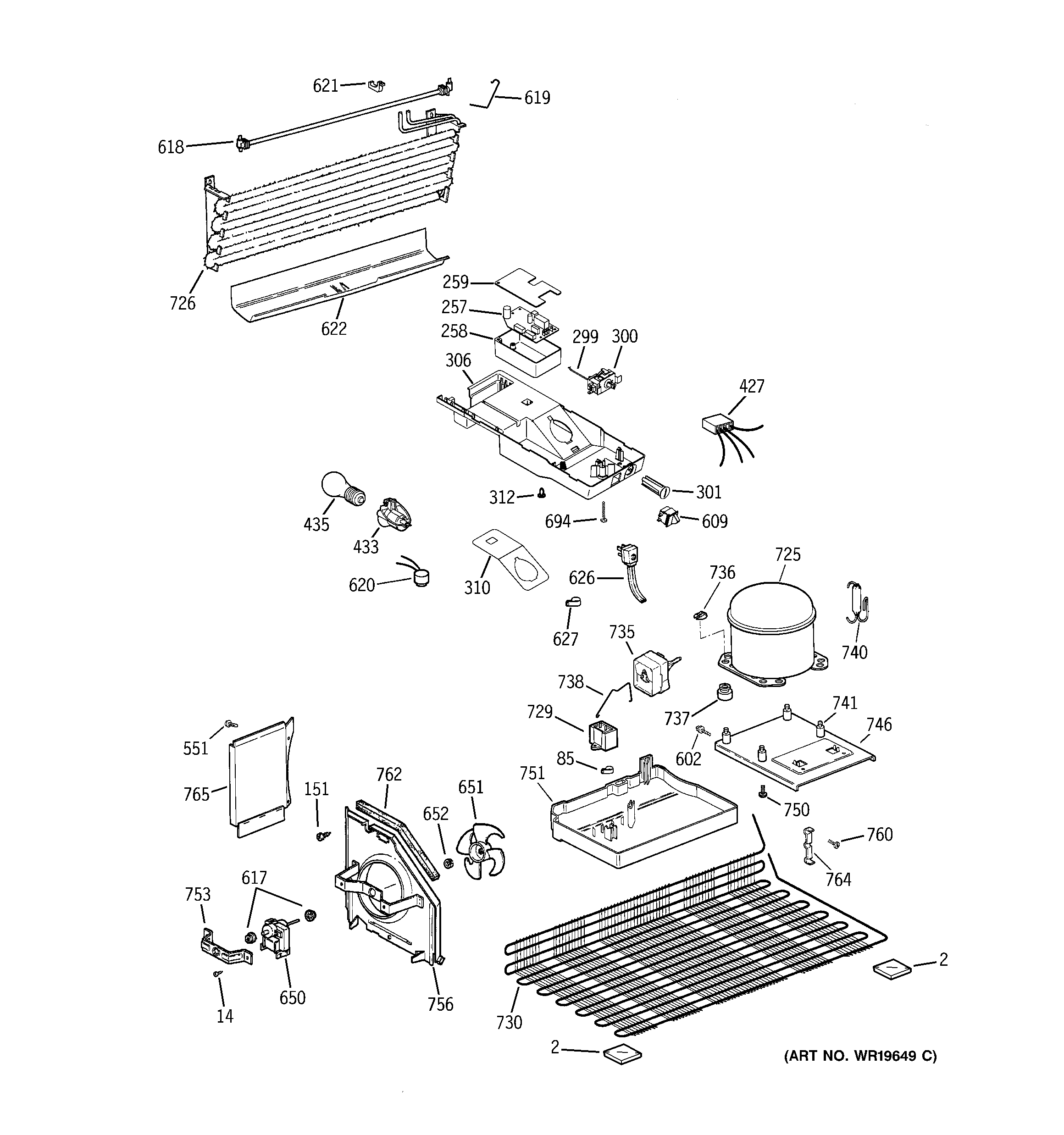
GTH16BBSXRBB UNIT PARTS

GTH16BBSXRBB UNIT PARTS

Products

PositionProduct
2GEN WR02X10534
14GEN WR01X10594
14SCREW FAN MTR/BRKT
85GEN WR01X2008
151WR01X10588 GE Refrigerator Screw 8-18 AB IHXW 9/16 S
151WR01X10623 GE Refrigerator Screw 8-18 AB IHXW 9/16 S
257WR55X21623 GE Refrigerator Control Board
258WR09X10125 GE Refrigerator Bottom EDC Enclosure
259WR09X10126 GE Refrigerator EDC Top Enclosure
299WR2X8344 GE Refrigerator Vinyl Sleeve
300CONTROL TEMP
301WR02X13355 GE Control Knob
306GEN WR17X11888
310GEN WR02X11597
312WR01X10149 GE Refrigerator Canoe Clip Fastener
427GEN WR23X10566
427GEN WR23X10415
433WR02X10591 GE Light Socket and Terminal
435RANGE ONLY 40W 120V APPL BULB
435WR2X9391 GE Socket and Terminal
551GEN WZ04X0244
602WR1X1591 GE Refrigerator Screw
602WR01X10617 GE Refrigerator Screw 1/4-14 AB IHW 3/4 S
609WR23X37285 GE Light Switch
617GROMMET EVAP
618WR51X10038 GE Refrigerator Defrost Heater Assembly
619GEN WR51X10072
619GEN WR51X10102
620THERMOSTAT DEF
621WR02X10518 GE Refrigerator Element Holder
622GEN WR17X11657
626WR23X10300 GE Refrigerator Power Cord Assembly
627WR1X5278 GE Refrigerator Cable Clamp
650AC/DC COND FAN MOTOR
651WR60X24484 GE Refrigerator Condenser Fan Blade
652WR02X12149 GE Refrigerator Ring
694GEN WR01X1792
725WR87X10224 GE Refrigerator Compressor Kit EGYS60
726WR87X28948 GE Refrigerator Evaporator
729WR55X24064 GE Refrigerator Run Capacitor
730GEN WR84X10073
735WR07X10131 GE Refrigerator Overload
736WR2X8583 GE Refrigerator Clip
737GEN WR02X7238
738WR02X12561 GE Clip Retainer
740WR86X25269 GE Refrigerator R134 Dryer
741WR1X1779 GE Refrigerator Stud Mounting Compressor
746GEN WR17X10195
750WR1X1786 GE Refrigerator Screw
751GEN WR32X10455
753WR02X11863 GE Refrigerator Condenser Fan Bracket (Mounting)
756GEN WR17X11535
760WR01X10317 GE Refrigerator Screw 8-32 CA Hex Washer 1/2
762GEN WR14X0313
764WR2X9000 GE Refrigerator Condenser Clip
765GEN WR17X10463