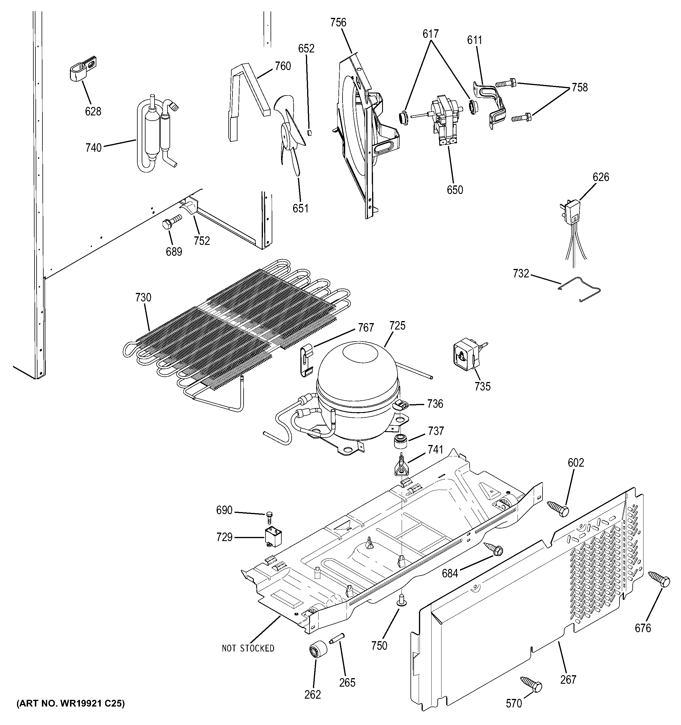
GTH18DBDBRWW UNIT PARTS