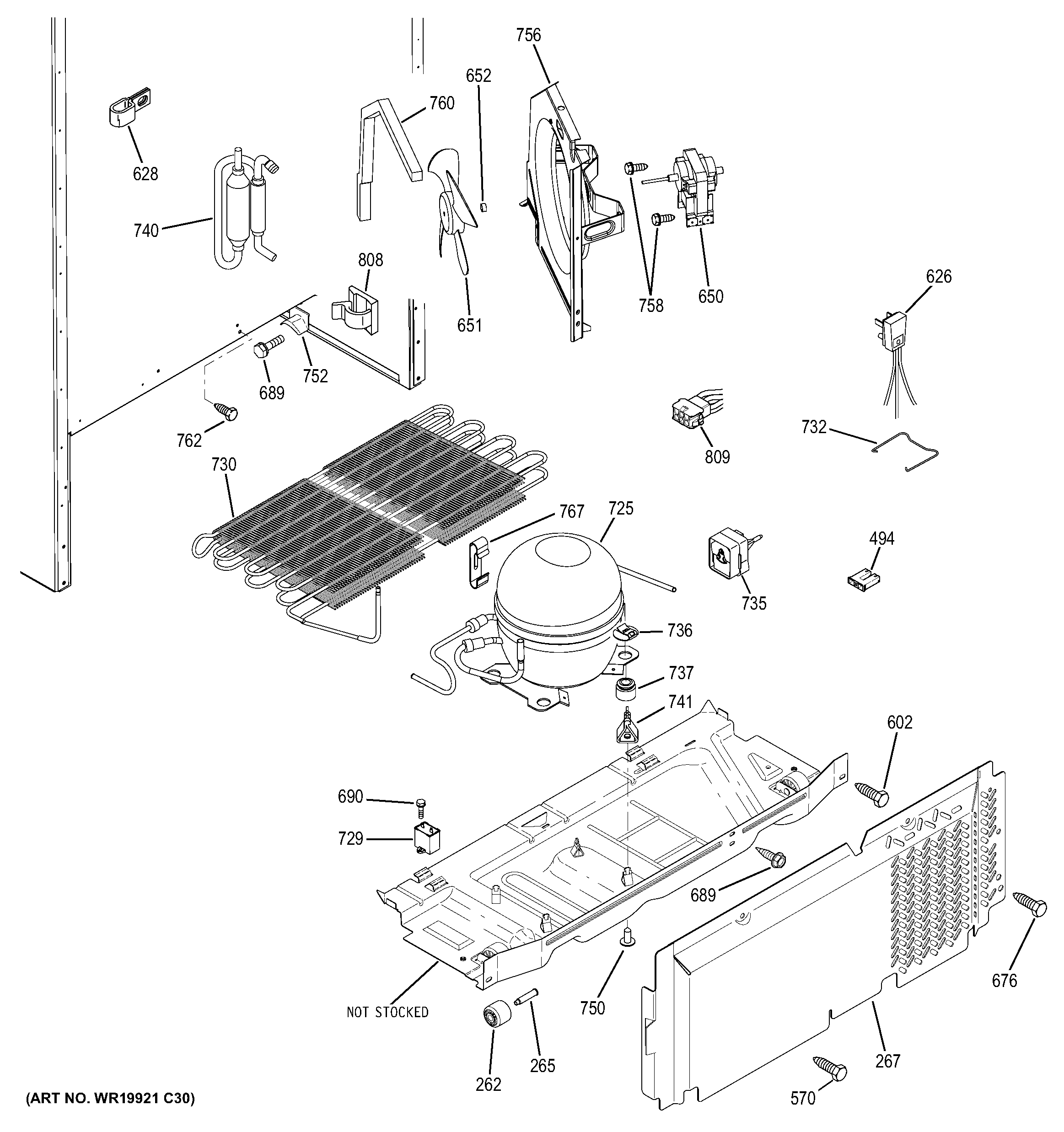
GTH18DBDKRBB UNIT PARTS