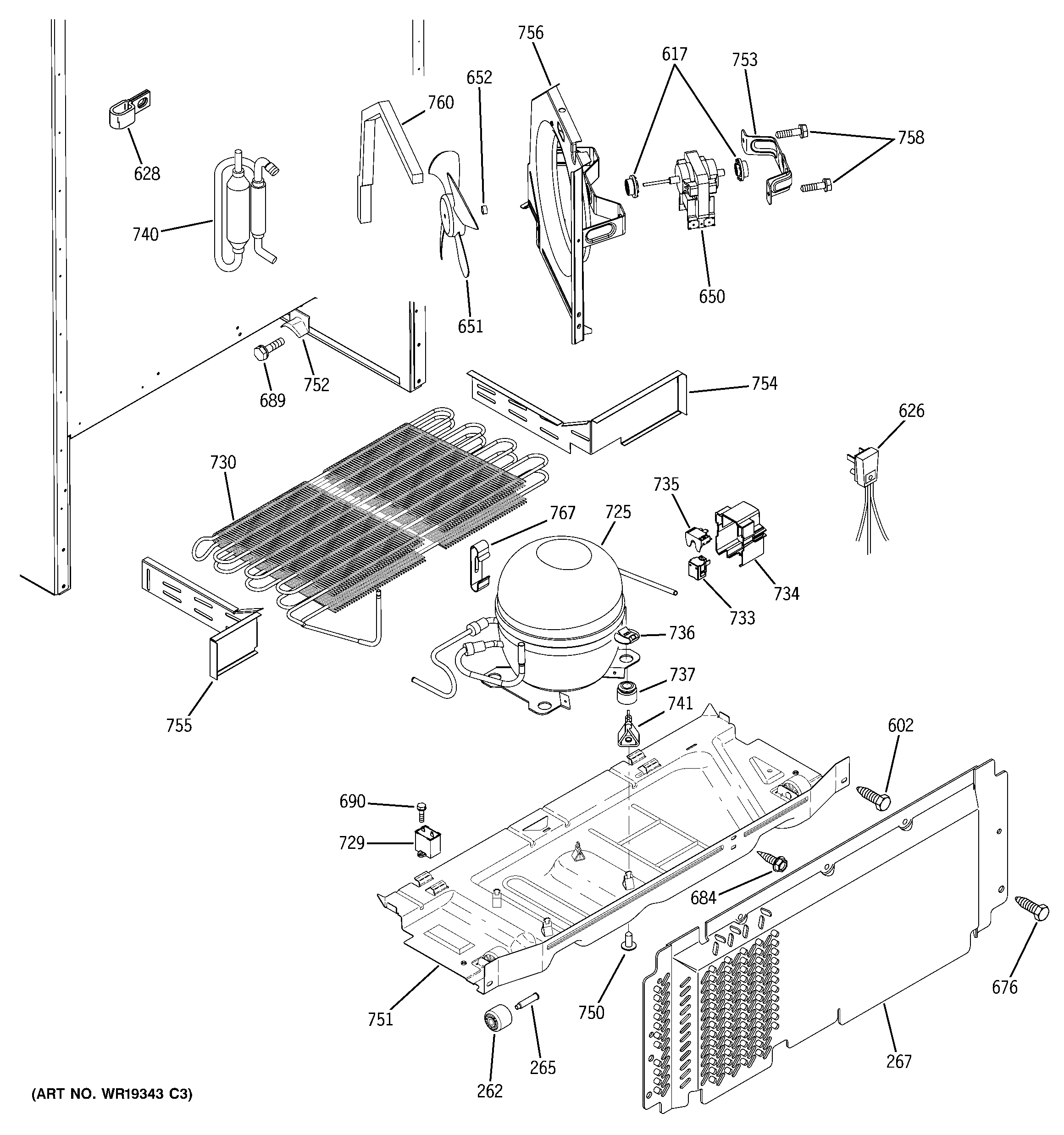
GTH18DBPCRWW UNIT PARTS