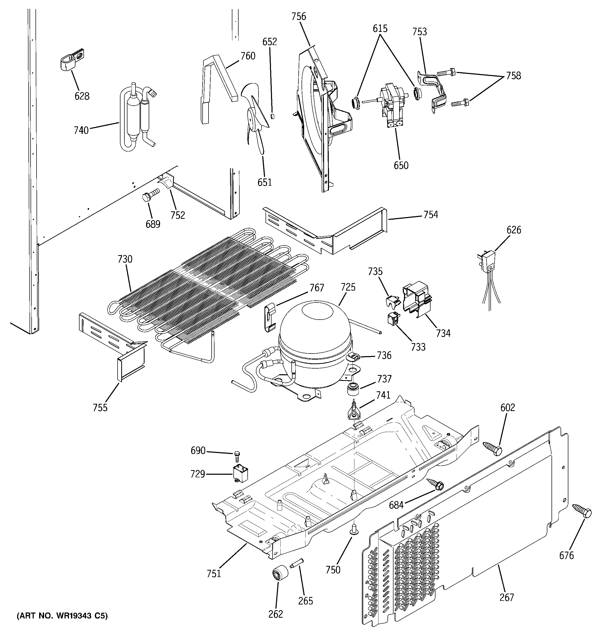
GTH18DBRALBB UNIT PARTS