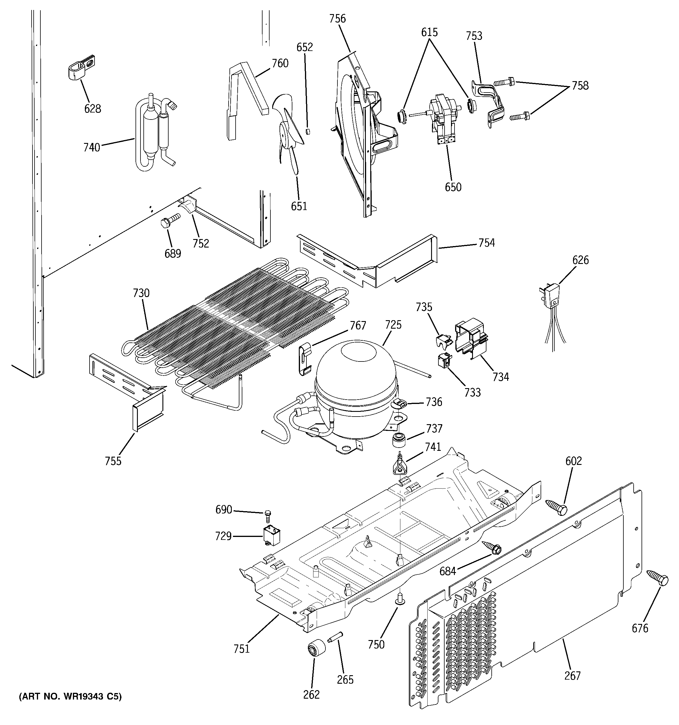
GTH18DBRALCC UNIT PARTS