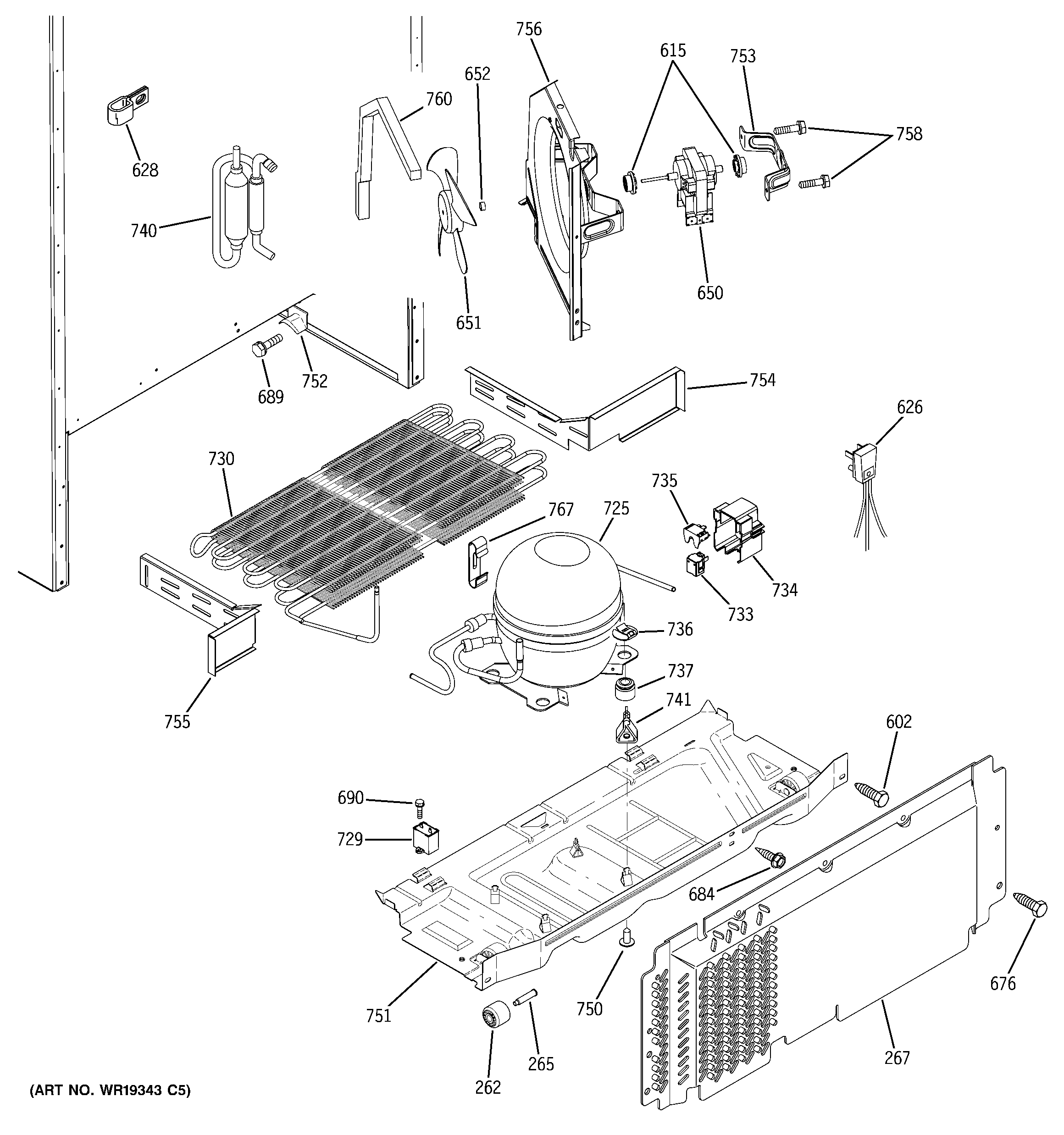
GTH18DBRALWW UNIT PARTS