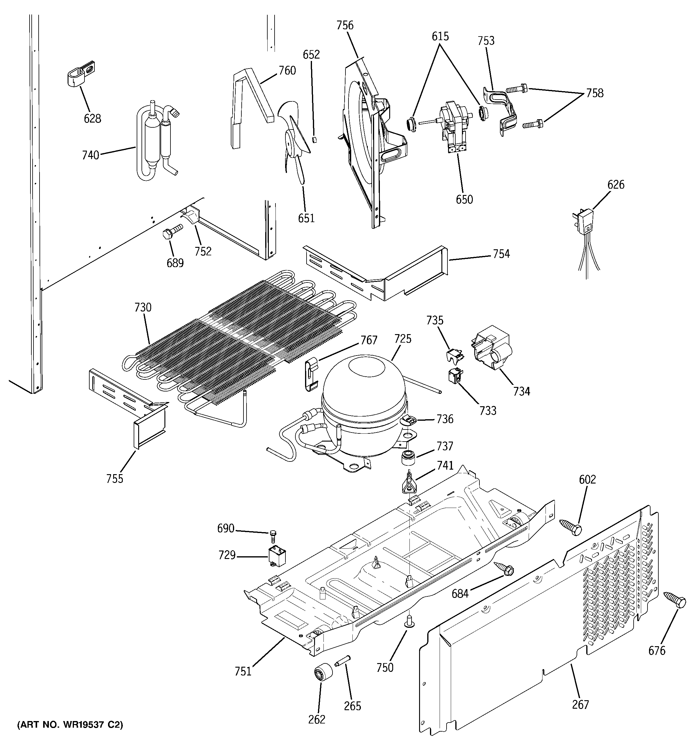
GTH18DBRCLBB UNIT PARTS