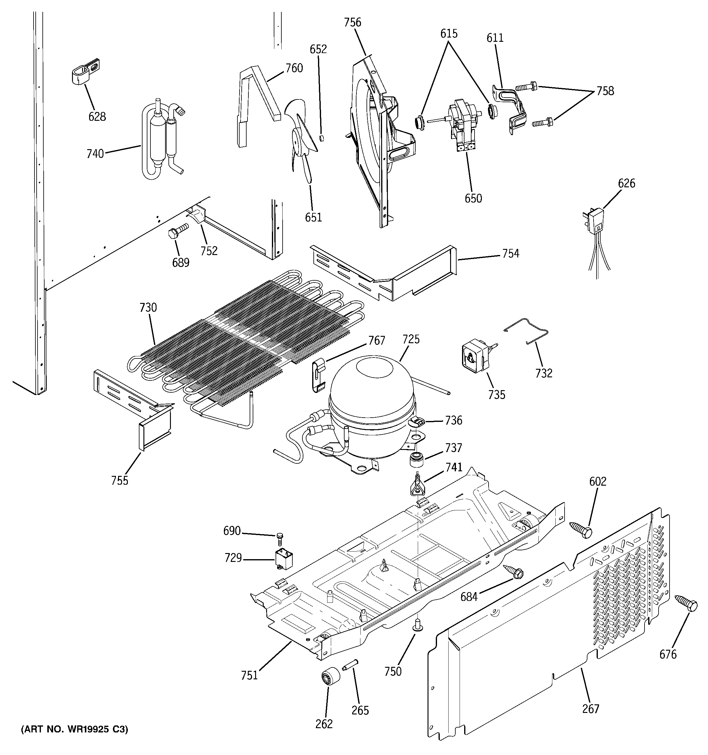
GTH18DBRKLCC UNIT PARTS