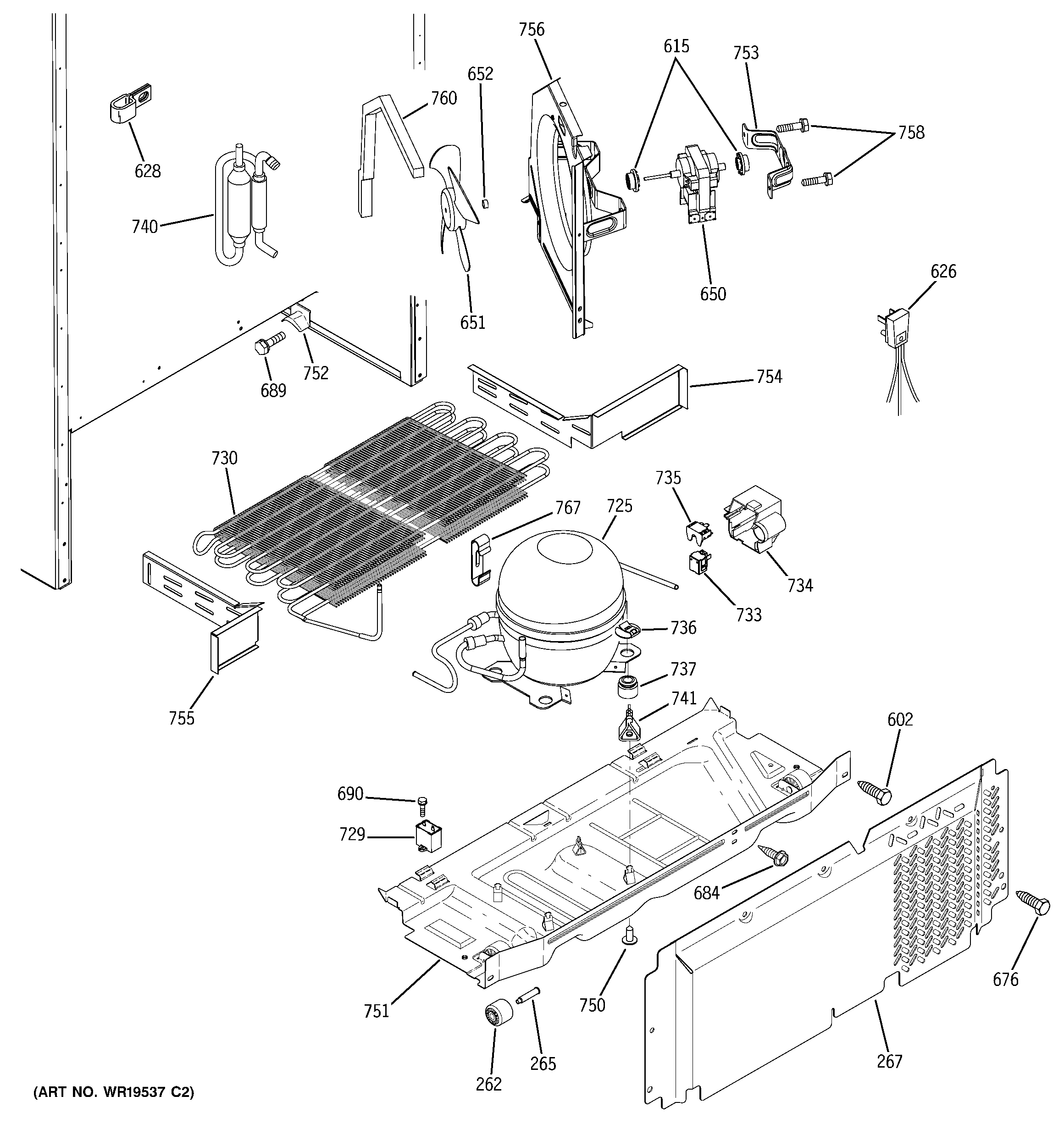
GTH18DBROLWW UNIT PARTS