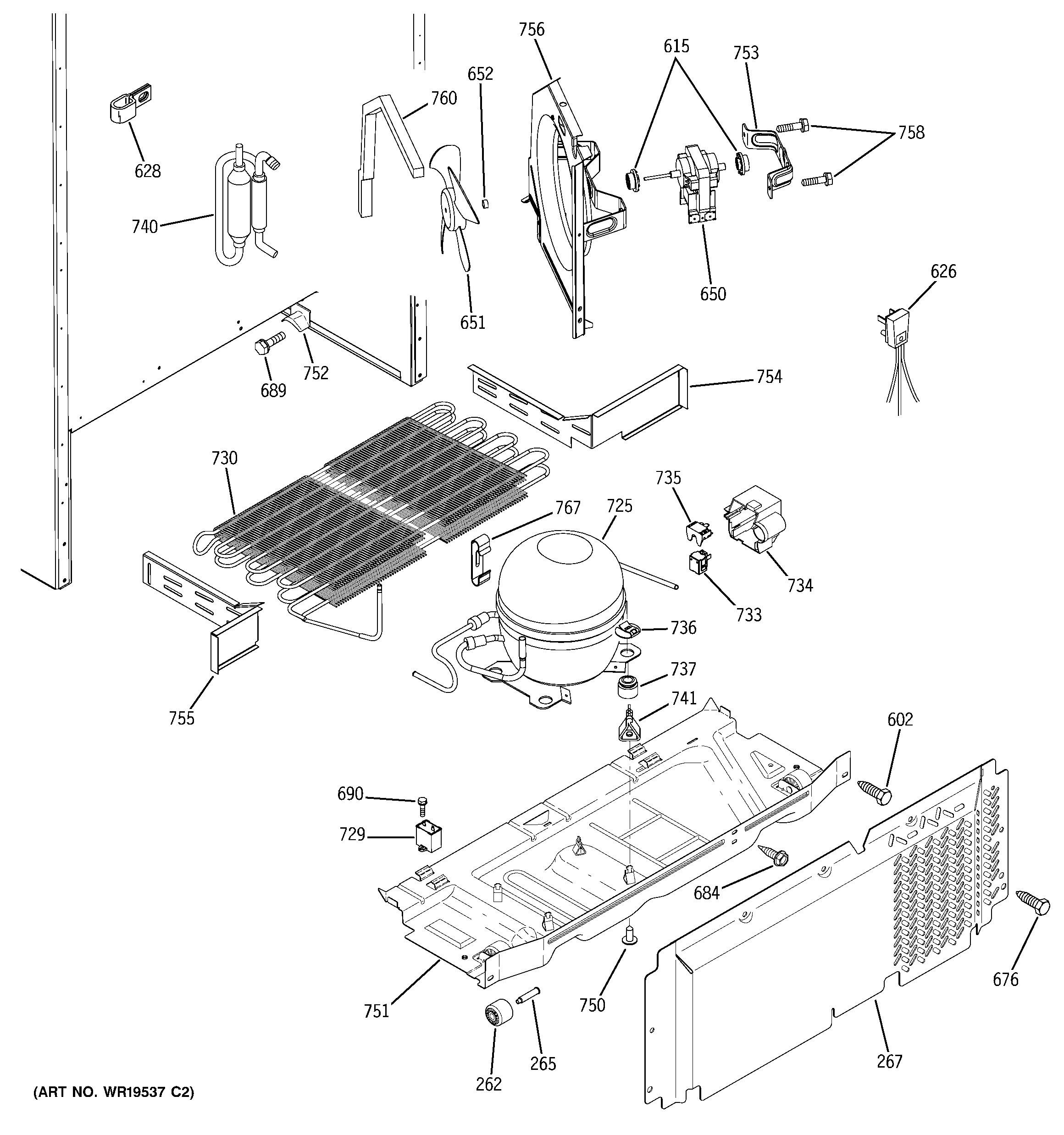
GTH18DBRORCC UNIT PARTS