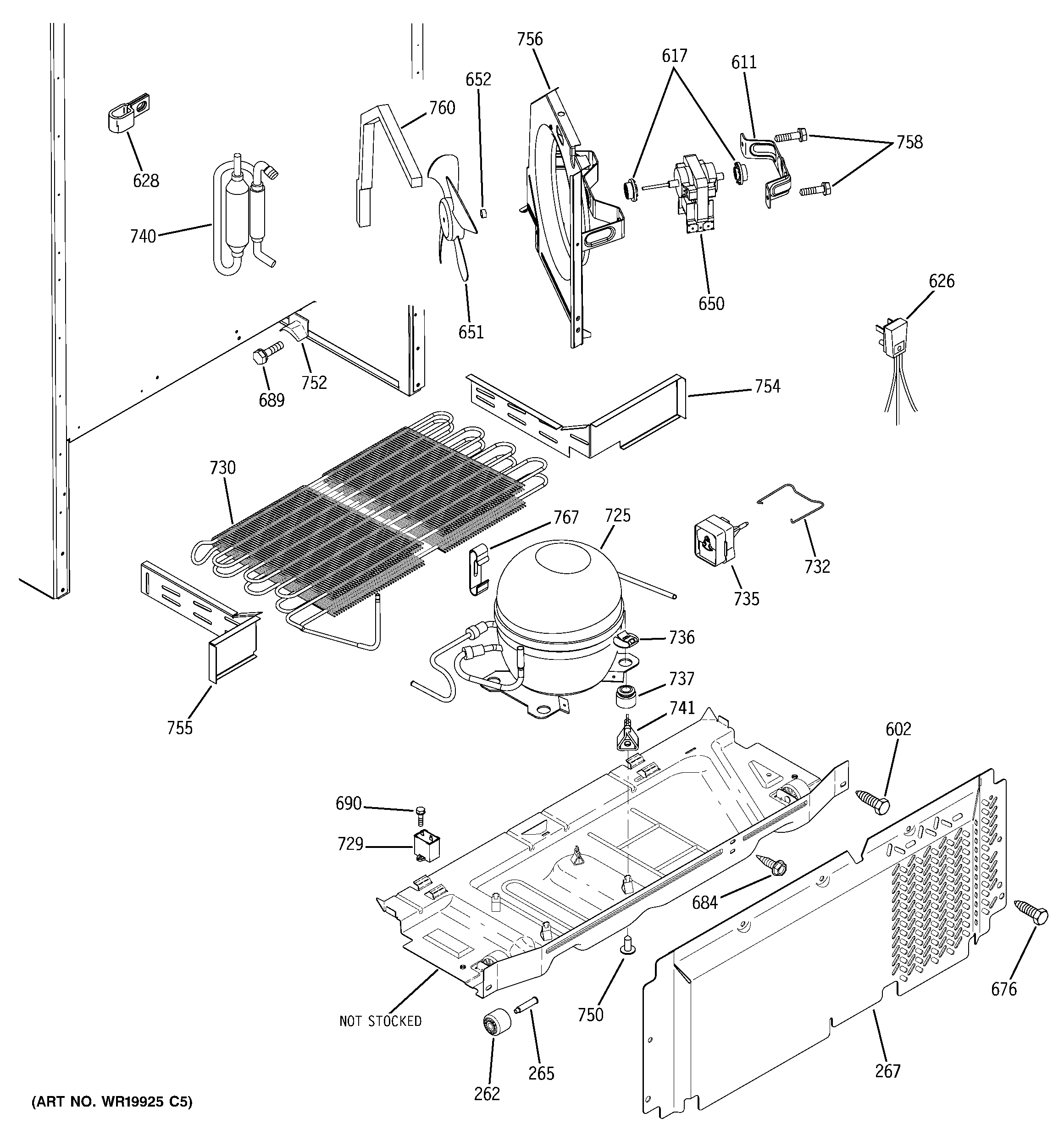
| 262 | GEN WR02X13167 |
| 265 | GEN WR01X10039 |
| 267 | GEN WR82X10113 |
| 602 | WR1X1591 GE Refrigerator Screw |
| 611 | WR02X11863 GE Refrigerator Condenser Fan Bracket (Mounting) |
| 617 | WR02X12008 GE Refrigerator Evaporator Fan Grommet |
| 626 | WR23X10300 GE Refrigerator Power Cord Assembly |
| 628 | WR1X5278 GE Refrigerator Cable Clamp |
| 650 | GEN WR60X10274 |
| 651 | WR60X10207 GE Refrigerator Fan Blade |
| 652 | WR02X12149 GE Refrigerator Ring |
| 676 | WD2X5166 GE Dishwasher Screw |
| 684 | GEN WB01T10047 |
| 689 | WZ5X246 GE Screw |
| 690 | WZ5X158D GE Screw Package of 12 |
| 725 | WR87X10224 GE Refrigerator Compressor Kit EGYS60 |
| 729 | WR55X24064 GE Refrigerator Run Capacitor |
| 730 | GEN WR84X10053 |
| 732 | WR02X11999 GE Refrigerator Clip Retainer |
| 735 | WR09X10105 GE Refrigerator Overload PTCR |
| 736 | WR2X8583 GE Refrigerator Clip |
| 737 | GEN WR02X7238 |
| 740 | WR86X25269 GE Refrigerator R134 Dryer |
| 741 | WR1X1779 GE Refrigerator Stud Mounting Compressor |
| 750 | WR1X1786 GE Refrigerator Screw |
| 752 | GEN WR17X10317 |
| 754 | GEN WR17X10847 |
| 755 | GEN WR17X10848 |
| 756 | GEN WR17X12705 |
| 758 | WR01X10860 GE Refrigerator Screw 8-32 TT HXW 3/8 S |
| 758 | WD2X323D GE Dishwasher Screw Package |
| 760 | GEN WR14X10081 |
| 767 | GEN WR02X10712 |